EasyManua.ls Logo

Bryant HK32EA008 - Low-Ambient Cooling Guideline

Bryant HK32EA008
70 pages
Print Icon
To Next Page IconTo Next Page
To Next Page IconTo Next Page
To Previous Page IconTo Previous Page
To Previous Page IconTo Previous Page
Loading...
Residential Air Conditioners and Heat Pumps Using R-22 and Puron® Refrigerant: Application Guideline and Service Manual
Manufacturer reserves the right to change, at any time, specifications and designs without notice and without obligations.
7
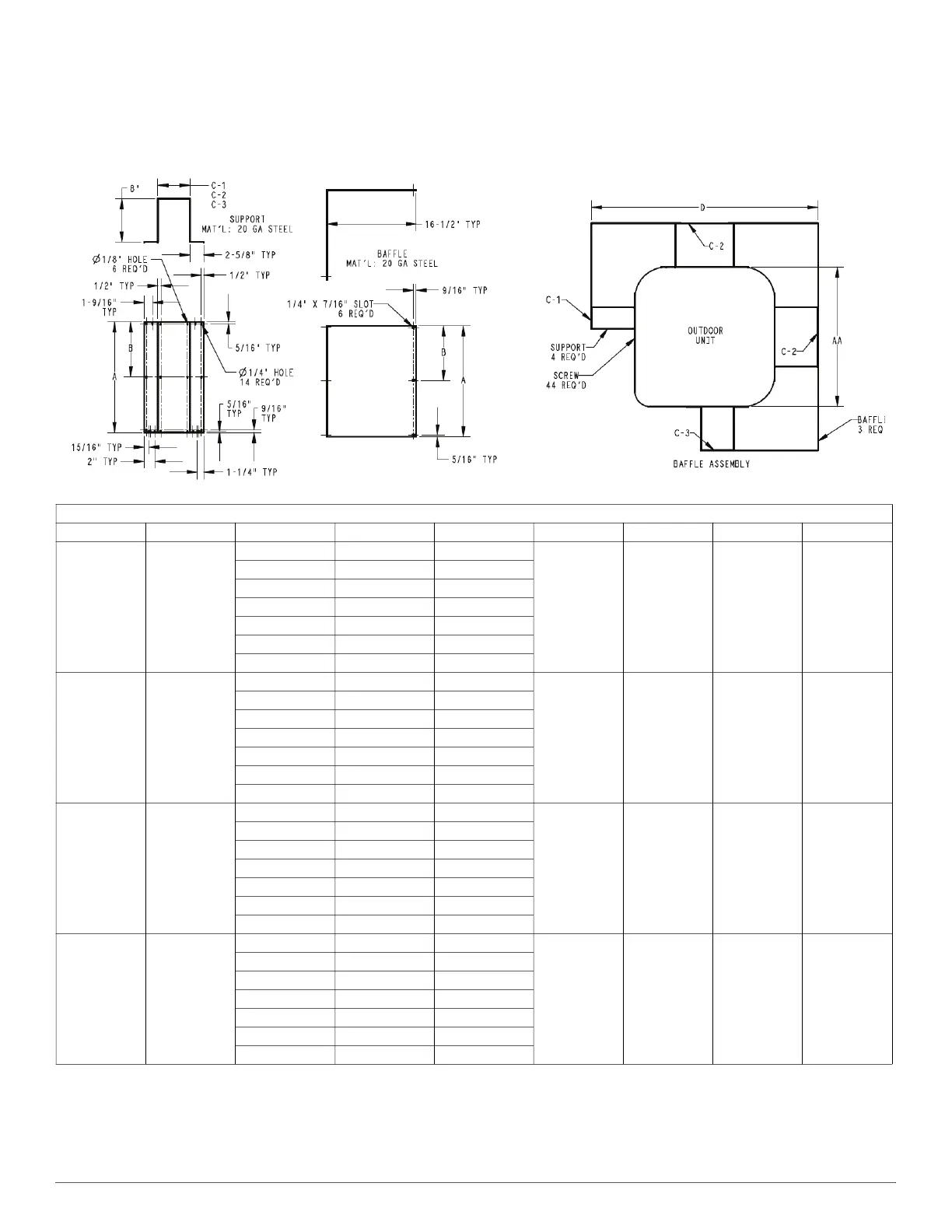
LOW-AMBIENT COOLING GUIDELINE
The minimum operating temperature for these units in cooling mode is
55°F/12.7°C outdoor ambient without additional accessories. This
equipment may be operated in cooling mode at ambient temperatures
below 55°F/12.7°C when the accessories listed in Table 1 or Table 2 are
installed. Wind baffles are required when operating in cooling mode at
ambients below 55°F/12.7°C. Refer to Fig. 1 for wind baffle
construction details for Base through Deluxe models. First production
of Preferred units are capable of low ambient cooling only with pressure
switch or Evolution UI control. Motor Master was not available. See
most current Product Data for updates. Evolution Series 2-Stage units
are capable of low ambient cooling only with Evolution UI control.
A210697
Fig. 1 – Base / Mid-Tier / Deluxe (4-sided) Baffle Assembly
Entry, Mid Tier, and 4 Sided Deluxe Units (in.)
UNIT SIZE AA UNIT HEIGHT A B C-1 C-2 C-3 D
Mini Base 23-1/8
25-5/16 20-3/8 10-1/16
1-5/16 8-1/4 3-1/2 39-1/4
28-11/16 23-13/16 11-3/4
32-1/8 27-3/16 13-1/2
35-1/2 30-5/8 15-3/16
38-15/16 34 16-7/8
42-5/16 37-3/8 18-9/16
45-11/16 40-13/16 20-1/4
Small 25-3/4
25 20-3/8 10-1/16
3-15/16 10-7/8 6-1/8 41-7/8
28-7/16 23-13/16 11-3/4
31-13/16 27-3/16 13-1/2
35-1/4 30-5/8 15-3/16
38-5/8 34 16-7/8
42 37-3/8 18-9/16
45-7/16 40-13/16 20-1/4
Medium 31-1/4
25-1/2 20-3/8 10-1/16
9-3/8 16-5/16 11-9/16 47-3/8
28-15/16 23-13/16 11-3/4
32-5/16 27-3/16 13-1/2
35-3/4 30-5/8 15-3/16
39-1/8 34 16-7/8
42-1/2 37-3/8 18-9/16
45-15/16 40-13/16 20-1/4
Large 35
25-1/2 20-3/8 10-1/16
13-3/16 20-1/8 15-3/8 51-1/8
28-15/16 23-13/16 11-3/4
32-5/16 27-3/16 13-1/2
35-3/4 30-5/8 15-3/16
39-1/8 34 16-7/8
42-1/2 37-3/8 18-9/16
45-15/16 40-13/16 20-1/4

Table of Contents

Related product manuals