EasyManua.ls Logo

Bryant T6?PRH?A - Page 74

Bryant T6?PRH?A
88 pages
Print Icon
To Next Page IconTo Next Page
To Next Page IconTo Next Page
To Previous Page IconTo Previous Page
To Previous Page IconTo Previous Page
Loading...
74
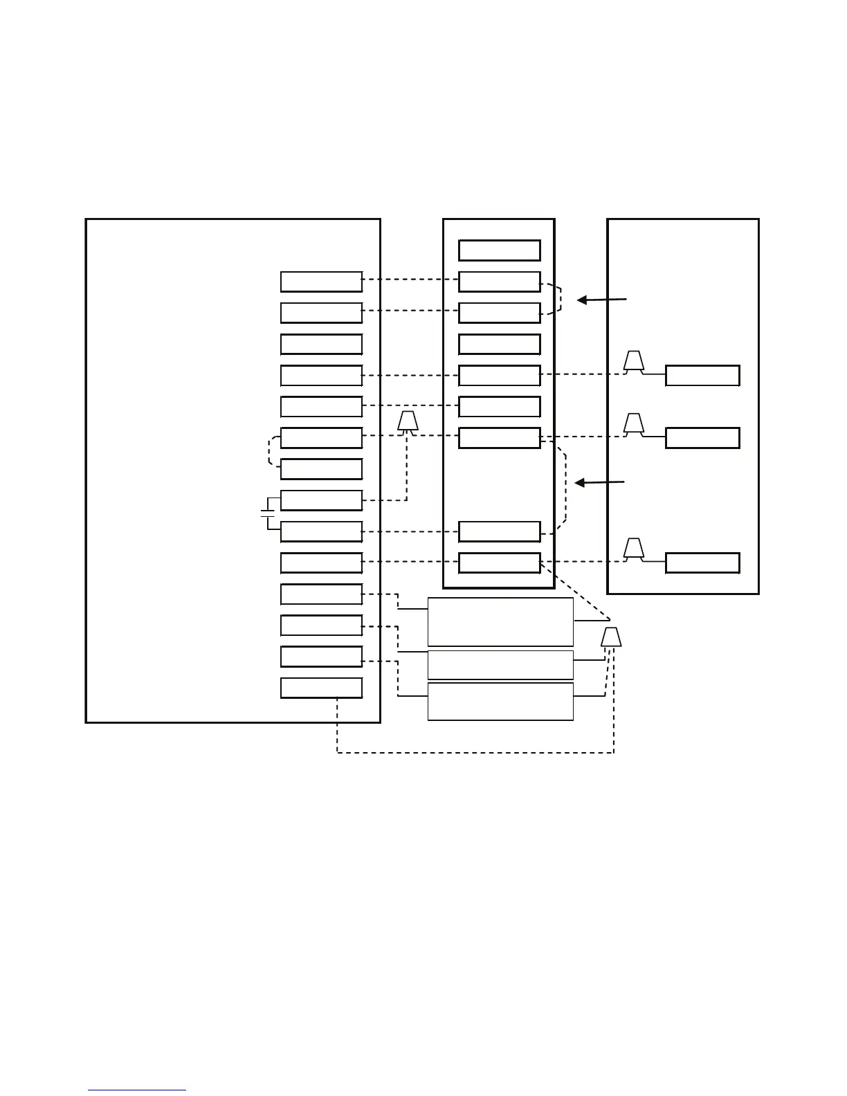
Equipment Control Module Fan Coil Air Conditioner
O
Heat Stage 2 O/B W2 W2
Remove J2
Jumper for
heat staging
Heat Stage 1 W/W1 W1
N/A Y1 / W2 Y1
Heat/Cool Stage 1 Y/Y2 Y/Y2 Y
Fan G G
24VAC Hot Heating Rh R R*
24VAC Hot Cooling Rc
Remove J1
Jumper for
Dehumidify
modes
Dry Contact 1 D1
Dry Contact 2 D2 DH
24VAC Common C C
C
Humidify HUM
Outdoor Air Temp OAT
Remote Room Sensor RRS
OAT/RRS Com SRTN
Outdoor Sensor *
Humidifier Solenoid
Valve *
Remote Room
Sensor *
* Indicates connection may not be required/available.
A09659
Fig. 28 FV/FK Fan Coil with 1Stage Air Conditioner

Related product manuals