EasyManua.ls Logo

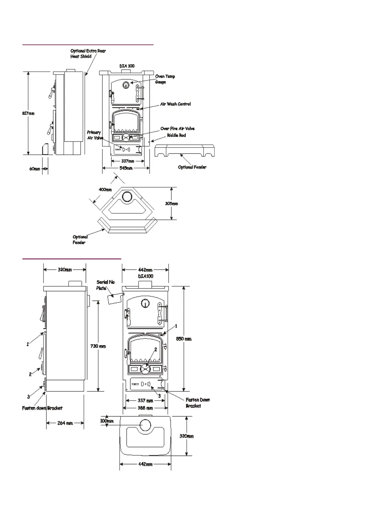
Bubble CORNER - Oven Stove Dimensions; 3 B Corner Multifuel Pod Fig 1; 4 B Multifuel Pod Fig 1

Bubble CORNER
20 pages
Print Icon
To Next Page IconTo Next Page
To Next Page IconTo Next Page
To Previous Page IconTo Previous Page
To Previous Page IconTo Previous Page
Loading...
9
D
D
I
I
M
M
E
E
N
N
S
S
I
I
O
O
N
N
S
S
O
O
V
V
E
E
N
N
S
S
T
T
O
O
V
V
E
E
S
S
3
3
B
B
C
C
O
O
R
R
N
N
E
E
R
R
M
M
U
U
L
L
T
T
I
I
F
F
U
U
E
E
L
L
P
P
O
O
D
D
F
F
I
I
G
G
1
1
4
4
B
B
M
M
U
U
L
L
T
T
I
I
F
F
U
U
E
E
L
L
P
P
O
O
D
D
F
F
I
I
G
G
1
1