EasyManua.ls Logo

Bucher C-LRV 175 - Wiring the Power Supply Unit

Default Icon
92 pages
Print Icon
To Next Page IconTo Next Page
To Next Page IconTo Next Page
To Previous Page IconTo Previous Page
To Previous Page IconTo Previous Page
Loading...
CLRV lift control valve Installation and commissioning
49/92
300−I−9010212−E−10/08.08
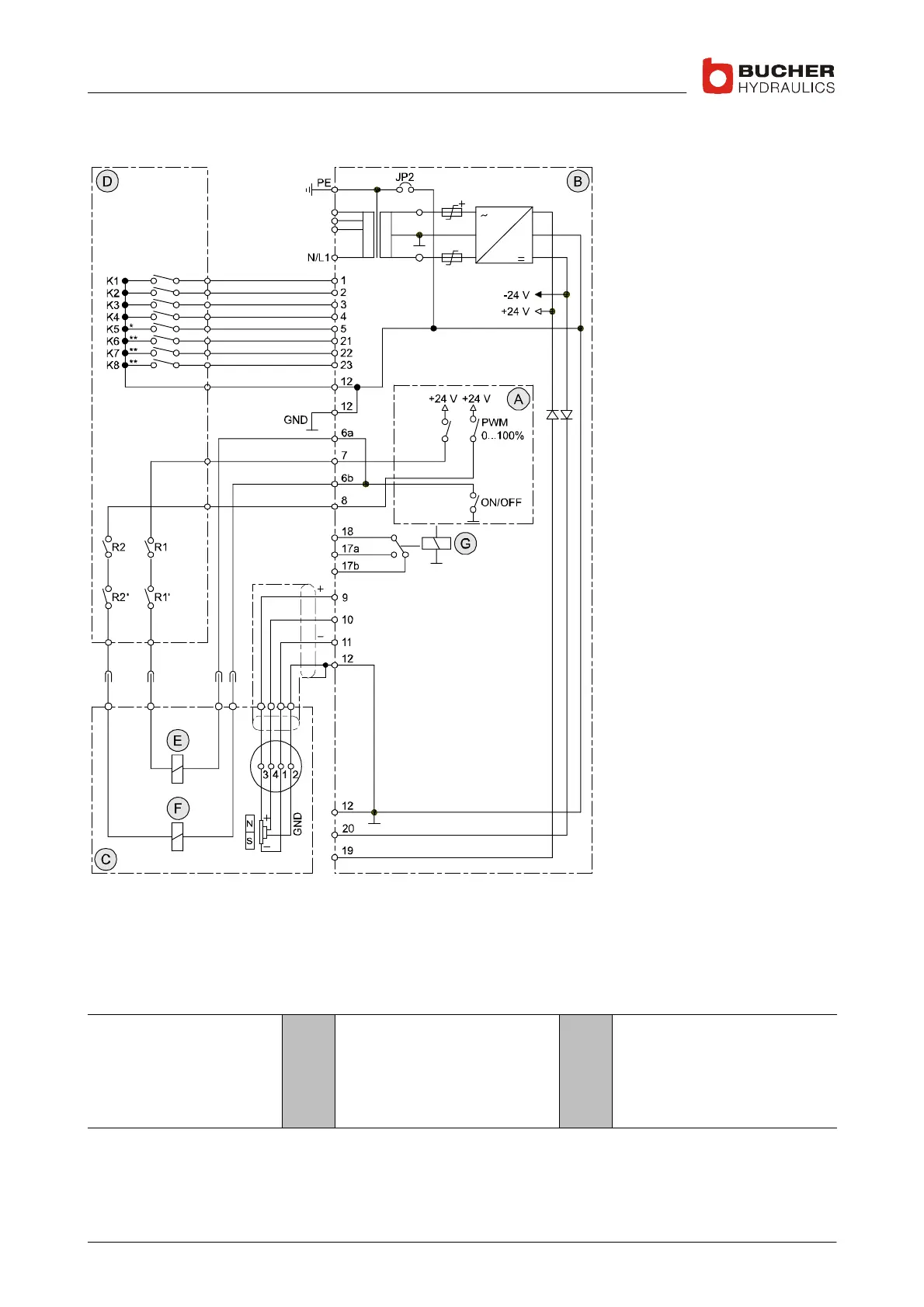
4.2.3 Wiring the power supply unit
300−1−10009300
1
2
3
4
5
21
22
23
6a/6b
7
8
9
10
11
12
20
19
Legend
Fast UP
Slow UP
Fast DOWN
Slow DOWN
Inspection speed
Speed reduction
Speed reduction
Speed reduction
Common
DOWN solenoid
UP solenoid
Stabilised voltage supply
+15V
Feedback signal
(input)
Stabilised voltage supply
−15V
GND, test/measurement
−24 V emergency power
supply
+24 V emergency power
supply
* When contact K5 closes, the C−DELCON’s two "fast"
speeds drop to a preset percentage of their nominal
values. The setting is adjustable between 20−80%
** When contacts K6, K7 or K8 close, the C−DELCON´s
two "fast" speeds drop to a preset percentage of their n
ominal values. The settings are adjustable between
20−100%
K1−K8, potential−free contacts or semiconductors
R1+R2 as per EN81−2, 12.4.1/12.4.2
Legend A
B
C
D
C−DELCON
NTA−2
C−LRV
Control cabinet (customer’s)
E
F
G
DOWN solenoid
UP solenoid
SIU−1 demand/feedback moni-
toring
SIU−4 v 0.3m/s

Table of Contents

Related product manuals