EasyManua.ls Logo

Bunn DUAL - Dual Brewer Wiring Diagram (One-Grinder Interface)

Bunn DUAL
53 pages
Print Icon
To Next Page IconTo Next Page
To Next Page IconTo Next Page
To Previous Page IconTo Previous Page
To Previous Page IconTo Previous Page
Loading...
Page 49
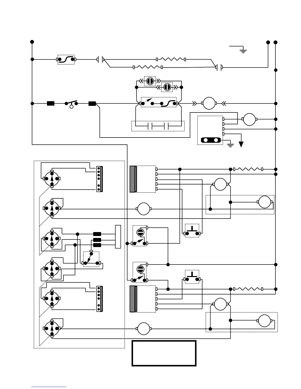
120/208 VOLTS AC OR
120/240 VOLTS AC
3 WIRE
R
T
S
E
L
E
C
T
O
R
S
W
VIO
PROBE
PIN-20
1
4
3
2
LIQUID
LEVEL
BOARD
BLUBLK
K1
WHI
LIMIT THERMOSTAT
SOL
WHI
WHI
OVERFLOW
PROTECTION SW
RED RED
SW. & THERMOSTAT
READY INDICATORS
OPTIONAL
RECOVERY BOOSTER
BLKBLU
K2 N.O. K3 N.O.
RED
SCHEMATIC WIRING DIAGRAM DUAL BREWER
(W/ONE-GRINDER INTERFACE)
BLU
1/4 BATCH
1/3 BATCH
1/2 BATCH
2/3 BATCH
3/4 BATCH
BATCH COMMON
FRACTIONAL
BATCHES
(CONNECT
AS REQUIRED)
FULL BATCH
(NO CONNECTION)
TAN
GRY
PNK
WHI/VIO
OPTIONAL 3-SET SELECTOR SWITCHES SHOWN
WITH ONE-GRINDER INTERFACE OPTION
FRACTIONAL
BATCHES
(CONNECT
AS REQUIRED)
FULL BATCH
(NO CONNECTION)
TAN
GRY
PNK
WHI/VIO
1/4 BATCH
1/3 BATCH
1/2 BATCH
2/3 BATCH
3/4 BATCH
BATCH COMMON
L
T
S
E
L
E
C
T
O
R
S
W
WHI
WHI/ORA
WHI/VIO
WHI/GRN
WHI/YEL
WHI
WHI/RED
WHI/GRN
1
RIGHT
BREW
TIMER
3
2
4
5
SOL
WHI
ORA
WHI/RED
WHI/BRN
YEL
WHI
WHI/RED
WHI/GRN
SOL
WATER
BYPASS
WATER
BYPASS
1
LEFT
BREW
TIMER
3
2
4
5
LEFT SW.
RIGHT SW.
WHI/VIO
SOL
OPTIONAL
RECOVERY BOOSTER
WHI/RED
WHI/BRN
SOL
K2
OPTIONAL
RECOVERY BOOSTER
WHI/VIO
WHI/GRN
WHI/RED
WHI
WHI/VIO
BLK
WHI
L1
GRN
N
RED-12
BLK-12 BLK-12
K1
N.O.
RED-12
RED-12
TANK HEATERS (TWO)
K1
N.O.
BLK-12
BLK-12
L2
100W WARMER
(NOT AVAILABLE ON
DUAL-TF)
100W WARMER
(NOT AVAILABLE ON
DUAL-TF)
K3
START SW.
START SW.
GRIND
SELECTOR
SW
GRY
TAN
PNK
GRY
TAN
PNK
GRINDER INTERFACE
CONNECTOR
4
1
2
3
GRY
TAN
PNK
27040 062200

Other manuals for Bunn DUAL

Related product manuals