EasyManua.ls Logo

Bunn DUAL - Dual Brewer Wiring Diagram with Digital Control

Bunn DUAL
53 pages
Print Icon
To Previous Page IconTo Previous Page
To Previous Page IconTo Previous Page
Loading...
Page 53
WHI/GRN
WHI/GRN
WHI/RED
WHI/RED
RT START SW
BLK BLK
LT START SW
BLK
GRN
BLK
YEL
BLK
RED
BLK
PNK
TAN
GRY
WHI
WHI
RED
RED
GRY
PNK
PNK
RED
WHI
PNK
RED
ORA
YEL
VIO
BLU
WHI/RED
WHI/RED
WHI
WHI
WHI
BLK
TAN
BLU
WHI/BLU
10864.0000H 9/00 © 1995 BUNN-O-MATIC CORPORATION
WHI
REFILL
RED
BLK
RED
WHI
PNK
RED
GRY
TAN
PNK
PNK
BLU
BLU WHI/VIO
WHI/VIO
RT ON/OFF SW
RT WARMER
BLK
RT TANK HEATER
RT LIMIT T'STAT
TAN
BLU
P2
P1
BLK
LT TANK HEATER
LT LIMIT T'STAT
TAN
P2
P1
LT ON/OFF SW
LT WARMER
BLU
BLU
BLU
WHI/GRN
BLU
TAN
WHI
WHI
BLK
BLK
WHI
WHI
BLK
WHI/VIO
GRN
WHI
BLK
BLK
WHI/GRN
BLK
BLK
WHI
WHI/GRN
LT BREW
OPTIONAL
RT BYPASS
OPTIONAL
LT BYPASS
RT BREW
WHI
WHI
WHI/VIO
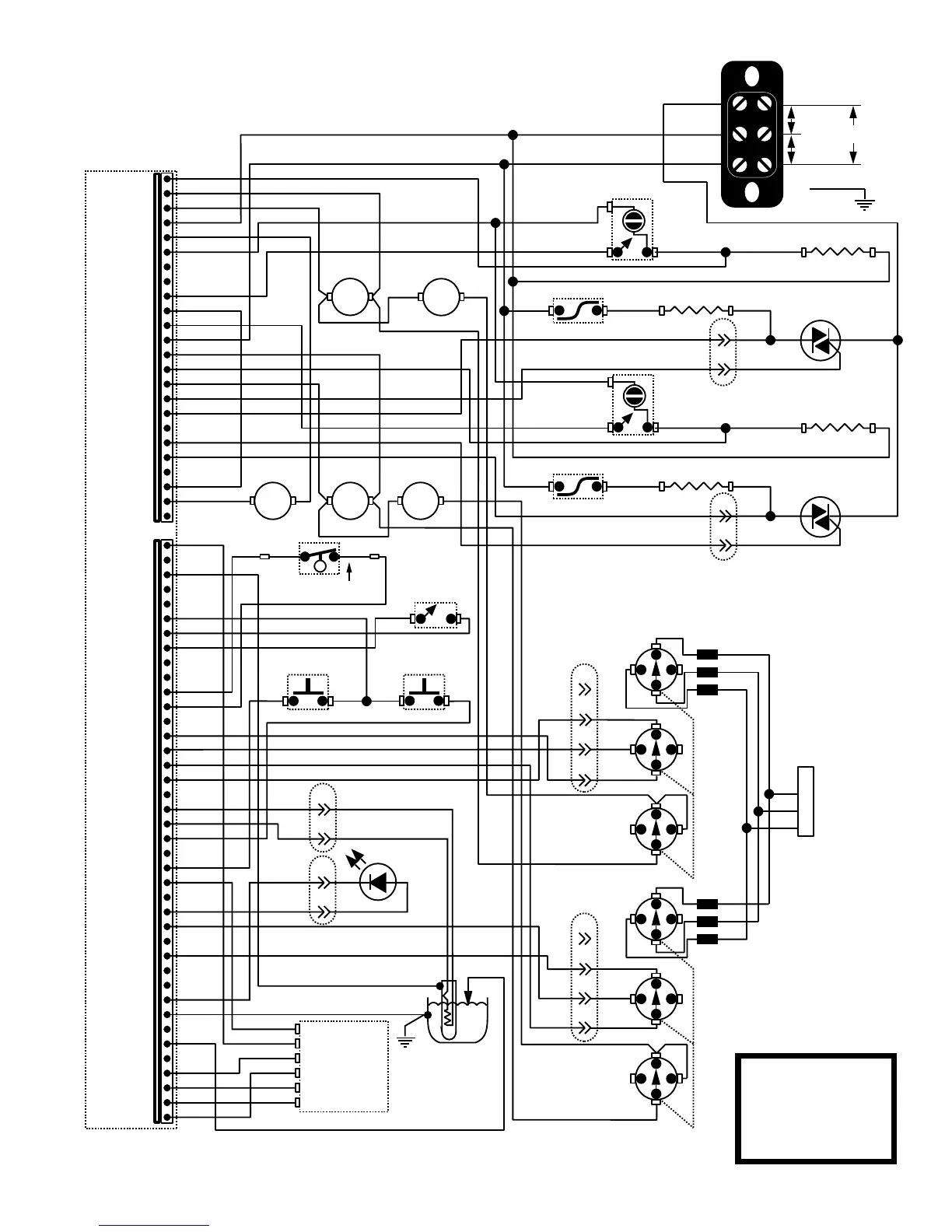
120/208 OR
120/240 VOLTS AC
3 WIRE
SINGLE PHASE
SCHEMATIC WIRING DIAGRAM
DUAL BREWER W/DIGITAL BREWER CONTROL
208 0R 240V.A.C.
120V.A.C.
120V.A.C.
TRIAC
TRIAC
SOL
SOL
SOL SOL SOL
RED
N.C.
RED
OVERFLOW
PROTECTION SWITCH
P2
P1
WHI
WHI
OPTIONAL
DAY/NIGHT
SWITCH
P2
P1
P1
P3
TAN
GRY
PNK
P4
P2
GRINDER
INTERFACE
CONNECTOR
GRY
TAN
PNK
4
1
2
3
WHI/RED
WHI/VIO
S
E
L
E
C
T
S
W
I
T
C
H
R
I
G
H
T
B
A
T
C
H
P1
P3
YEL
VIO
ORA
P4
P2
GRY
TAN
PNK
WHI/VIO
S
E
L
E
C
T
S
W
I
T
C
H
L
E
F
T
B
A
T
C
H
CONTROL
& DISPLAY
CONNECTOR
INTERFACE
2
4
3
1
5
6
J1-1
J1-24
J3-1
J3-40
D
I
G
I
T
A
L
B
R
E
W
E
R
C
O
N
T
R
O
L
C
I
R
C
U
I
T
B
O
A
R
D
READY
GRY
PNK
DRY PLUG
DETECTION
TEMP.
SENSOR
LIQUID LEVEL SENSOR
27040 032201

Other manuals for Bunn DUAL

Related product manuals