EasyManua.ls Logo

Bunn DUAL - Dual Brewer A & B ECA Wiring Diagram (One-Grinder Interface)

Bunn DUAL
53 pages
Print Icon
To Next Page IconTo Next Page
To Next Page IconTo Next Page
To Previous Page IconTo Previous Page
To Previous Page IconTo Previous Page
Loading...
Page 52
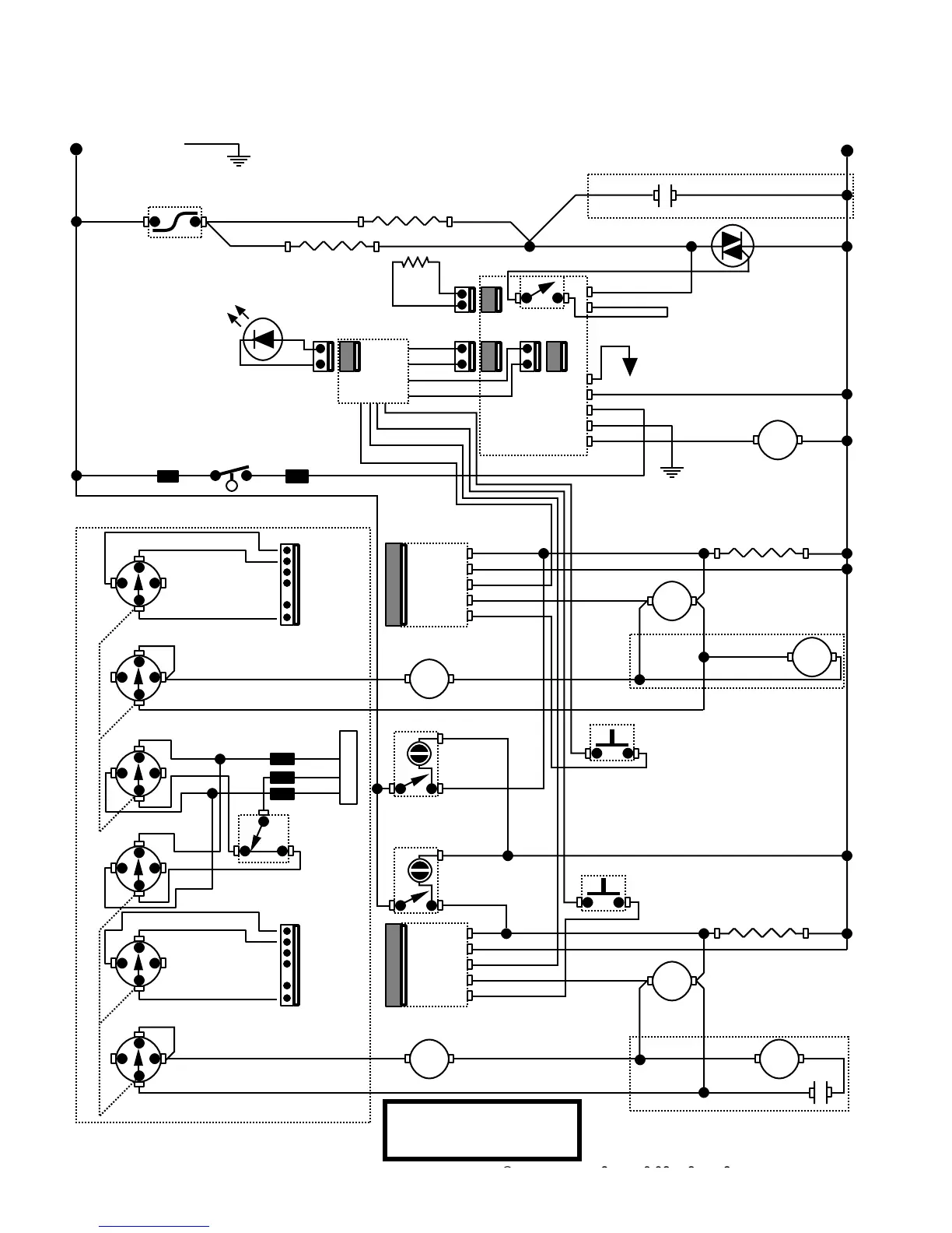
SCHEMATIC WIRING DIAGRAM DUAL-A & -B BREWER ECA
(W/ONE-GRINDER INTERFACE)
R
T
S
E
L
E
C
T
O
R
S
W
RED
WHI/ORA
WHI/VIO
WHI/GRN
WHI/YEL
RED
WHI/RED
WHI/GRN
L1
GRN/YEL
TANK HEATERS (TWO)
BLK
1
RIGHT
BREW
TIMER
3
2
4
5
1/4 BATCH
1/3 BATCH
1/2 BATCH
2/3 BATCH
3/4 BATCH
BATCH COMMON
FRACTIONAL
BATCHES
(CONNECT
AS REQUIRED)
FULL BATCH
(NO CONNECTION)
TAN
GRY
PNK
WHI/VIO
OPTIONAL 3-SET SELECTOR SWITCHES SHOWN
WITH ONE-GRINDER INTERFACE OPTION
SOL
WATER
BYPASS
WATER
BYPASS
L2
200 OR 240 VOLTS AC
2 WIRE
©OCCOOO
RED
ORA
WHI/RED
WHI/BRN
YEL
RED
WHI/RED
WHI/GRN
SOL
1
LEFT
BREW
TIMER
3
2
4
5
FRACTIONAL
BATCHES
(CONNECT
AS REQUIRED)
FULL BATCH
(NO CONNECTION)
TAN
GRY
PNK
WHI/VIO
1/4 BATCH
1/3 BATCH
1/2 BATCH
2/3 BATCH
3/4 BATCH
BATCH COMMON
LEFT SW.
START SW.
START SW.
RIGHT SW.
WHI/VIO
L
T
S
E
L
E
C
T
O
R
S
W
SOL
K1
OPTIONAL
RECOVERY BOOSTER
WHI/RED
WHI/BRN
SOL
K2
OPTIONAL
RECOVERY BOOSTER
WHI/VIO
WHI/GRN
GRY
K2 N.O.
WHI/RED
RED
TANK HEATER
SW
RED
GRY
GRY
ELECTRONIC
CONTROL
ASSY
1
2
5
4
7
6
3
W
H
I
W
H
I
t°
TAN
BLU
WHI/BRN
PIN 20
(PROBE)
SOL
GRN
WHI/BLU
INTERLOCK
ASSY
PNK
GRY
LIMIT
THERMOSTAT
WHI-12
BLK-12
BLK-12
BLU-12BLK-12
BLU-12
K1 N.O.
RED RED
READY
L.E.D.
PNK
GRY
BLK
BLK
BLU-12
BLU-12 RED-12
OPTIONAL RECOVERY BOOSTER
BRN/BLK
RED/BLK
WHI/ORA
ORA
RED
WHI/VIO
RED
100W WARMER
(NOT AVAILABLE ON
DUAL-TF)
100W WARMER
(NOT AVAILABLE ON
DUAL-TF)
OVERFLOW
PROTECTION SW
GRIND
SELECTOR
SW
GRY
TAN
PNK
GRY
TAN
PNK
GRINDER INTERFACE
CONNECTOR
4
1
2
3
GRY
TAN
PNK
27040 062200

Other manuals for Bunn DUAL

Related product manuals