EasyManua.ls Logo

Bunn DUAL - Dual Brewer A & B Wiring Diagram (One-Grinder Interface)

Bunn DUAL
53 pages
Print Icon
To Next Page IconTo Next Page
To Next Page IconTo Next Page
To Previous Page IconTo Previous Page
To Previous Page IconTo Previous Page
Loading...
Page 51
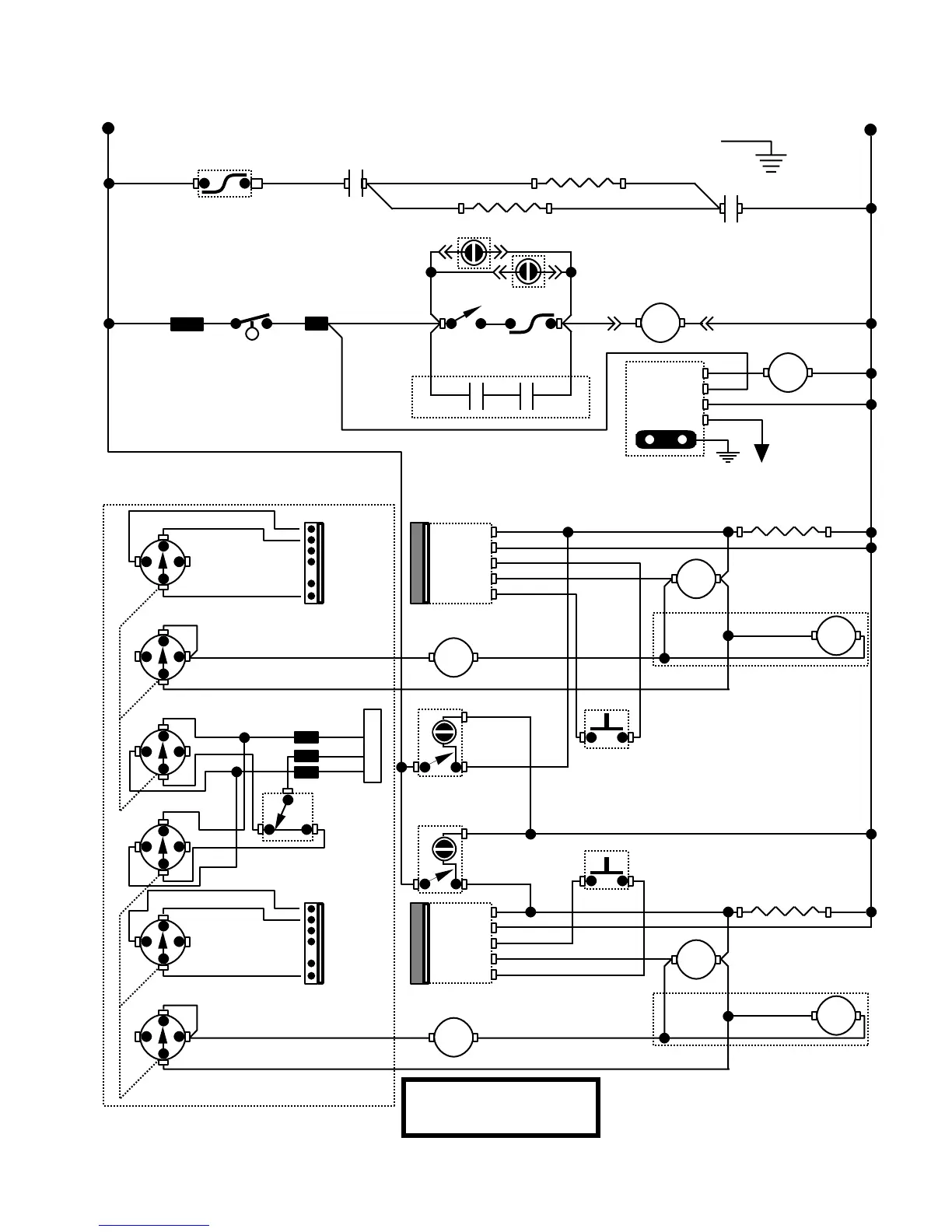
R
T
S
E
L
E
C
T
O
R
S
W
VIO
PROBE
PIN-20
1
4
3
2
LIQUID
LEVEL
BOARD
BLU
K1
RED
SOL
RED
RED
SW. & THERMOSTAT
READY INDICATORS
OPTIONAL
RECOVERY BOOSTER
BLKBLU
K2 N.O. K3 N.O.
RED
SCHEMATIC WIRING DIAGRAM DUAL-A & -B BREWER
(W/ONE-GRINDER INTERFACE)
GRN/YEL
RED-12
K1
N.O.
BLU
TANK HEATERS (TWO)
1/4 BATCH
1/3 BATCH
1/2 BATCH
2/3 BATCH
3/4 BATCH
BATCH COMMON
FRACTIONAL
BATCHES
(CONNECT
AS REQUIRED)
FULL BATCH
(NO CONNECTION)
TAN
GRY
PNK
WHI/VIO
OPTIONAL 3-SET SELECTOR SWITCHES SHOWN
WITH ONE-GRINDER INTERFACE OPTION
L2
200 OR 240 VOLTS AC
2 WIRE
FRACTIONAL
BATCHES
(CONNECT
AS REQUIRED)
FULL BATCH
(NO CONNECTION)
TAN
GRY
PNK
WHI/VIO
1/4 BATCH
1/3 BATCH
1/2 BATCH
2/3 BATCH
3/4 BATCH
BATCH COMMON
L
T
S
E
L
E
C
T
O
R
S
W
RED
WHI/ORA
WHI/VIO
WHI/GRN
WHI/YEL
RED
WHI/RED
WHI/GRN
1
RIGHT
BREW
TIMER
3
2
4
5
SOL
RED
ORA
WHI/RED
WHI/BRN
YEL
RED
WHI/RED
WHI/GRN
SOL
WATER
BYPASS
WATER
BYPASS
1
LEFT
BREW
TIMER
3
2
4
5
LEFT SW.
RIGHT SW.
WHI/VIO
SOL
K3
OPTIONAL
RECOVERY BOOSTER
WHI/RED
WHI/BRN
SOL
K2
OPTIONAL
RECOVERY BOOSTER
WHI/VIO
WHI/GRN
WHI/RED
RED
WHI/VIO
RED
100W WARMER
(NOT AVAILABLE ON
DUAL-TF)
100W WARMER
(NOT AVAILABLE ON
DUAL-TF)
BLK
OVERFLOW
PROTECTION SW
RED RED
L1
RED-12
RED-12
K1
N.O.
BLK-12
BLK-12
BLK-12BLK-12
BLK
START SW.
START SW.
LIMIT THERMOSTAT
GRIND
SELECTOR
SW
GRY
TAN
PNK
GRY
TAN
PNK
GRINDER INTERFACE
CONNECTOR
4
1
2
3
GRY
TAN
PNK
27040 062200