EasyManua.ls Logo

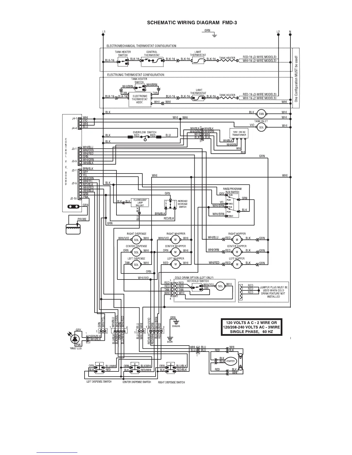
Bunn FMD-3 - Wiring Diagrams

Bunn FMD-3
42 pages
Print Icon
To Next Page IconTo Next Page
To Next Page IconTo Next Page
To Previous Page IconTo Previous Page
To Previous Page IconTo Previous Page
Loading...
41
29170 091598

Related product manuals