EasyManua.ls Logo

BW Broadcast TX1000 - Page 39

BW Broadcast TX1000
56 pages
Print Icon
To Next Page IconTo Next Page
To Next Page IconTo Next Page
To Previous Page IconTo Previous Page
To Previous Page IconTo Previous Page
Loading...
BW Broadcast technical manual
Page 39
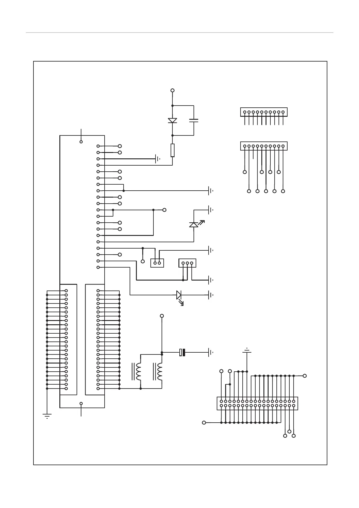
Technical data
3.531 PSU Interface
VOUT
1
2
3
4
34
33
32
31
5
30
6
29
7
28
8
27
9
26
10
25
11
24
12
23
13
22
14
21
15
20
16
19
17
18
36
35
EDGE
CONN-DIL36
VOUT
GND
C1
VOUT
VRTN
PS_Kill
I_SHARE
PS_ON
AC_OK
Vout SENSE+
I2C ADRO
V_SB+OUT
P_GOOD
Vout SENSE-
I2C ADR1
I2C ADR2
V_SB+OUT
V_SB+OUT
I2C DATA
V_SB RETURN
V_SB RETURN
I2C CLOCK
PS_PRESENT
V_SB RETURN
V_SB RETURN
1
2
3
4
5
6
7
8
9
10
11
12
13
14
15
16
17
18
19
20
21
25
26
27
28
29
30
31
32
33
34
35
36
37
38
39
40
41
42
43
44
45
22
23
24
46
47
48
49
50
51
52
53
54
55
56
57
58
59
60
61
62
63
64
65
66
67
68
70
69
CON1
FCI CON
R1
A
K
D1
C2
CTR
CTR
CTR
1
2
J1
A
K
D2
1
2
3
J2
AK
D3
I_SHARE
I_SHARE
I2C ADR0
Vout SENSE+
V_SB OUT
I2C ADR1
Vout SENSE-
I2C ADR2
I2C DATA
I2C ADR0
Vout SENSE+
V_SB OUT
V_SB OUT
1
2
3
4
5
6
7
8
9
10
J3
I2C ADR2
I2C DATA
I2C ADR1
Vout SENSE-
PS_PRESENT
I2C CLOCK
PS_PRESENT
I2C CLOCK
1
2
3
4
5
6
7
8
9
10
J4
PS_KILL
VOUT
L1
L2
PS_KILL

Related product manuals