EasyManua.ls Logo

BW Broadcast TX1000 - Page 43

BW Broadcast TX1000
56 pages
Print Icon
To Next Page IconTo Next Page
To Next Page IconTo Next Page
To Previous Page IconTo Previous Page
To Previous Page IconTo Previous Page
Loading...
BW Broadcast technical manual
Page 43
Technical data
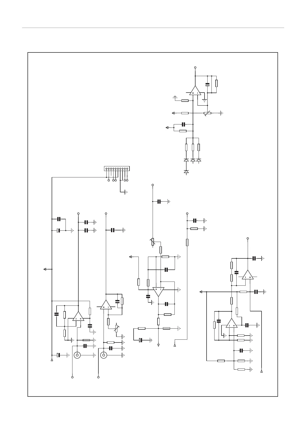
3.535 PA Controller Board
AUX V+
C1
C8
C15
3
2
1
8 4
IC2:A
5
6
7
84
IC2:B
R8
C3
5
1/2/3/4
CON2
C5
R7
R23
R22
5
1/2/3/4
CON1
C7
R24
3 2
1
VR2
R9
R10
C13
C14
C12
3
2
1
84
IC1:A
5
6
7
84
IC1:B
R6
R13
R12
R3
R11
R5
C2
PA CTRL
3 2
1
VR1
R4
C10
PA V+
3
2
1
8 4
IC3:A
5
6
7
8 4
IC3:B
C11
C4
R16
R14
R18
R25
R15
R17
R19
R20
R21
TEMP V+
R1
R2
C9
C6
C16
C17
FWD
REV
AUX
AUX
AUX
1
2
3
4
5
6
7
8
9
10
CON3
REV
FWD
REV
FWD
TEMP
TEMP
PACNT
PAV+
PACNT
PAV+
C18
C19
C20 C21
C22
R26
R27
R28
C23
AUX
R32
R33
R34
D5
D6
D7
AUX
PACNT
R29
C24
R30
C25
REV SWR IN
FWD SWR IN
3 2
1
VR3
R31
R35
DESIGN TITLE:
DRAWN BY:
CREATED:
PAGE:
22/04/08
1/1
REV:
:DEIFIDOM:ELTIT TEEHS
26/09/05
FILENAME:
Controller PCB

Related product manuals