EasyManua.ls Logo

BW Broadcast TX1000 - Page 46

BW Broadcast TX1000
56 pages
Print Icon
To Next Page IconTo Next Page
To Next Page IconTo Next Page
To Previous Page IconTo Previous Page
To Previous Page IconTo Previous Page
Loading...
BW Broadcast technical manual
Page 46
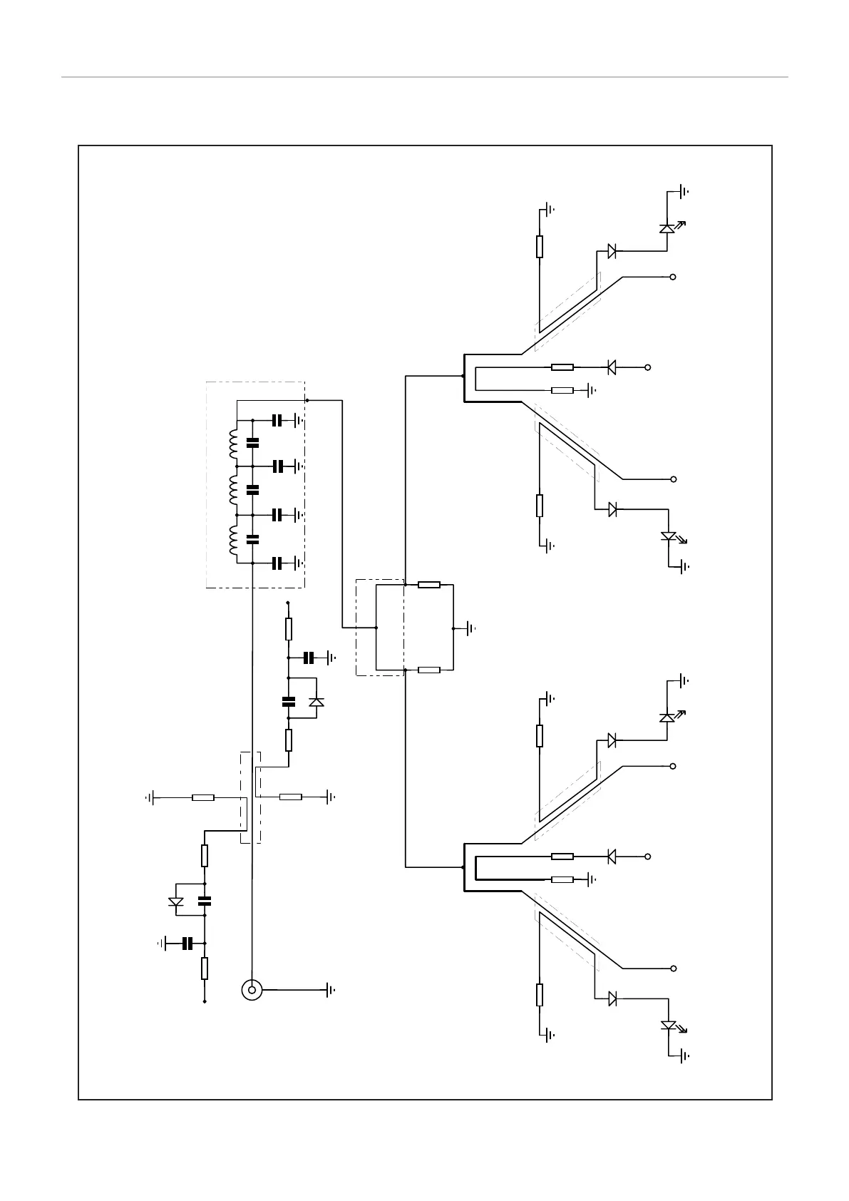
Technical data
A K
D3
R8
A K
D1
C2
R2
C1
R4
AK
D2
C3
R5
C4
R3
VSWR PROTECTION
REV VSWR DETECTION
FWD VSWR DETECTION
R9
VSWR Return
AK
D8
R10
AK
D6
R7
VSWR LED INDICATOR 2
VSWR LED INDICATOR 1
1 2
D7
12
D5
RF Output
RF INPUT
RF INPUT
RF Sense
RF Sense
RF Sense
OUTPUT FILTER
RF Sense
1
2
7/16
R6
R1
A K
D4
R12
VSWR PROTECTION
R13
VSWR Return
AK
D11
R14
AK
D9
R11
VSWR LED INDICATOR 4
VSWR LED INDICATOR 3
1 2
D12
12
D10
RF INPUT
RF INPUT
RF Sense
RF Sense
RF Sense
Combiner
Power Resistors
3.538 Output Combiner

Related product manuals