EasyManua.ls Logo

Caleffi solar iSolar Plus 24V - Data Communication; Bus; Standard Solar System

Caleffi solar iSolar Plus 24V
24 pages
Print Icon
To Next Page IconTo Next Page
To Next Page IconTo Next Page
To Previous Page IconTo Previous Page
To Previous Page IconTo Previous Page
Loading...
© Caleffi 08301_iSolar Plus 24V.monus.indd
5 |
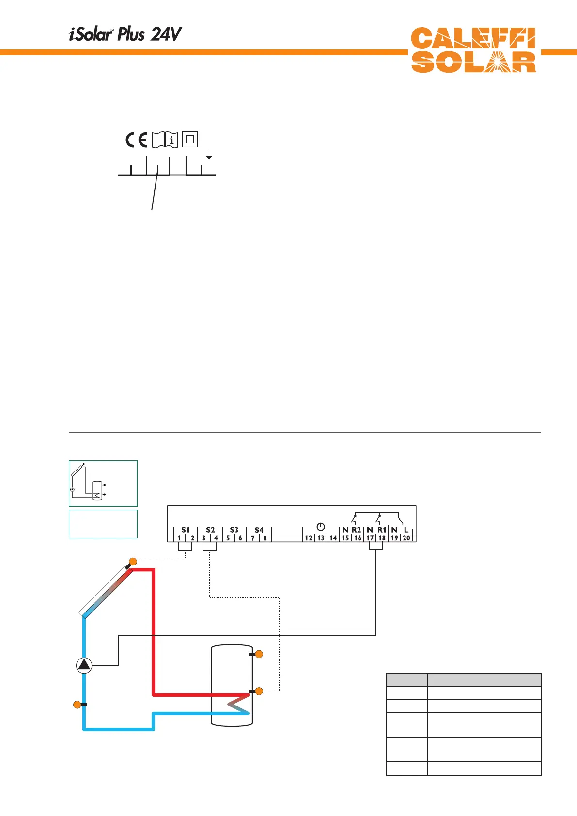
S1
S2
S4 / TRF
1.2.2 Allocation of clamps for system 1
Standard solar system with 1 tank, 1 pump and 3 sensors.
Sensor S4 / TRF can optionally be used for heat quantity
balancing.
R1
Arr 1
S3
1.2.1 Datacommunication/Bus
The controller comes with a VBus
®
for data communication
and energy supply of external modules. The connection
is effected with optional polarity at the clamps marked
with„VBus
®
“. Via this data Bus you can install one or more
VBus
®
modules, e.g.:
• heat quant. measurement module WMZ
• large display GA3
• Data logger, DL1
• Data teleindication, DFA2
Additionaly, the controller can be connected to the PC with
the help of a RS-COM adapter. With the ServiceCenter
Software (RCS) the controller parameters can be changed,
measurements can be read out, processed and visualised.
The software enables an easy function control and adjust-
ment of the system.
1 2
S1 S2 S3
3 4 5 6
Temp. Sensor
Pt1000
R1R2
201918171615
S4
7 8
141312
VBus
910
1 (1) A
1
24 V
(1) A 24 V
R1
R2
T4A
24 V
CALEFFI
NORTH AMERICA, Inc.
Milwaukee,WI 53208
VBus
connection clamps
Symbol Specification
S1 Collector sensor
S2 Tank sensor below
S3 Tank sensor at the top
(optionally)
S4 / TRF Sensor for heat quantity
measurement (optionally)
R1 Solar pump