EasyManua.ls Logo

Caleffi solar iSolar Plus 24V - Solar System Afterheating by Solid Fuel Boiler; Solar System with Heating Circuit Return Flow Incr

Caleffi solar iSolar Plus 24V
24 pages
Print Icon
To Next Page IconTo Next Page
To Next Page IconTo Next Page
To Previous Page IconTo Previous Page
To Previous Page IconTo Previous Page
Loading...
© Caleffi 08301_iSolar Plus 24V.monus.indd
9|
S1
S3
S2
S4
R2
R1
S1
S4
S2
S3
R1
R2
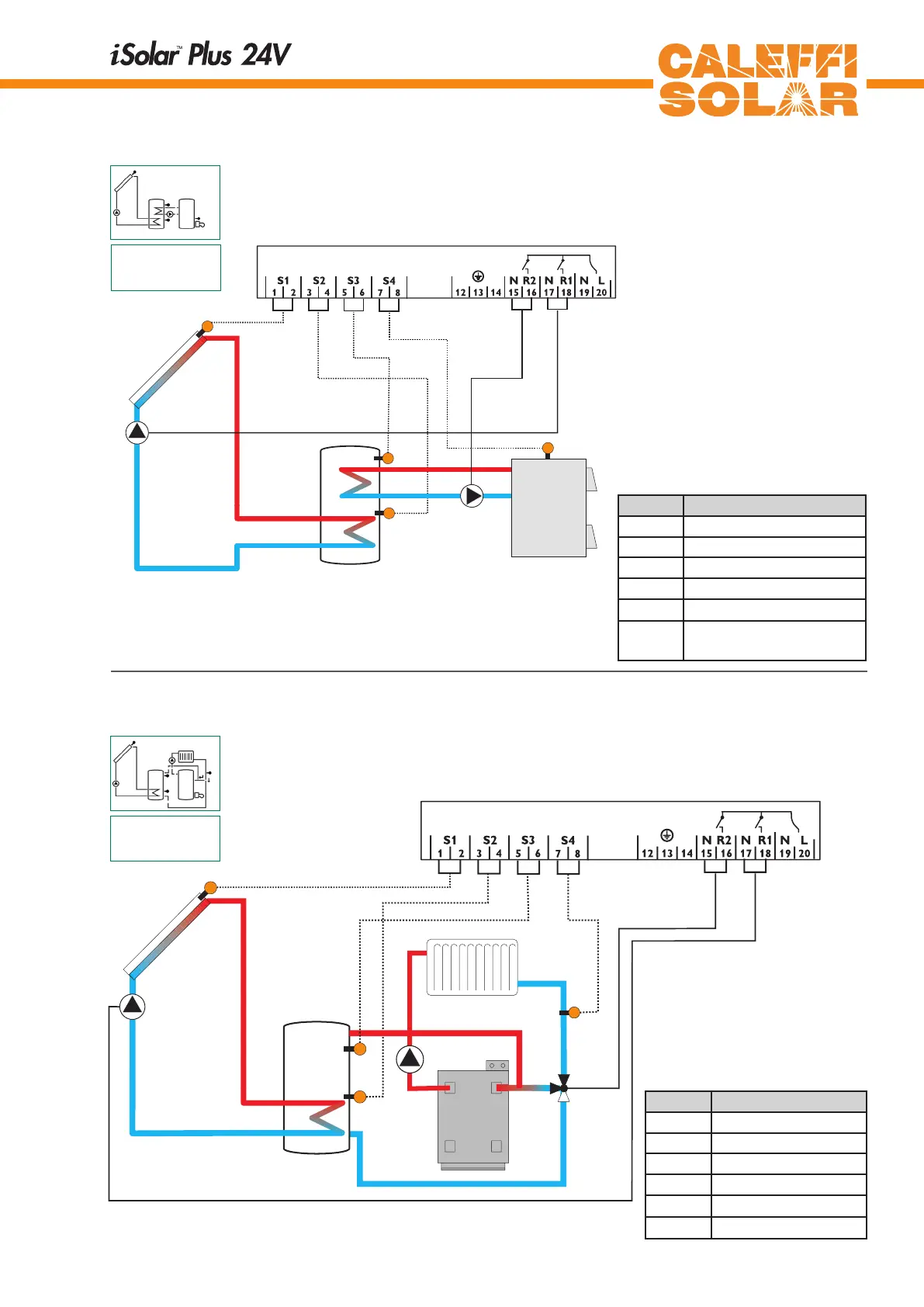
1.2.8 Allocation of clamps for system 8
1.2.9 Allocationofclampsforsystem9
Solarsystemwithafter-heatingbysolidfuelboiler
with 1 tank, 4 sensors, 1 solar pump and 1 pump for after-
heating.
Solar system and heating circuit reverse raising with
1 tank, 4 sensors, 1 solar pump and 1 3-way-valve for heating
circuit reverse raising.
Arr 8
Arr 9
Symbol Specification
S1 Collector sensor
S2 Lower tank sensor
S3 Upper tank sensor
S4 Tank for solid fuel boiler
R1 Solar pump
R2 Pump for solid hot
fuel boiler
Symbol Specification
S1 Collector sensor
S2 Lower tank sensor
S3 Upper tank sensor
S4 Heating circuit return
R1 Solar pump
R2 3-way-valve