EasyManua.ls Logo

Camus Hydronics DFH1100 - Page 50

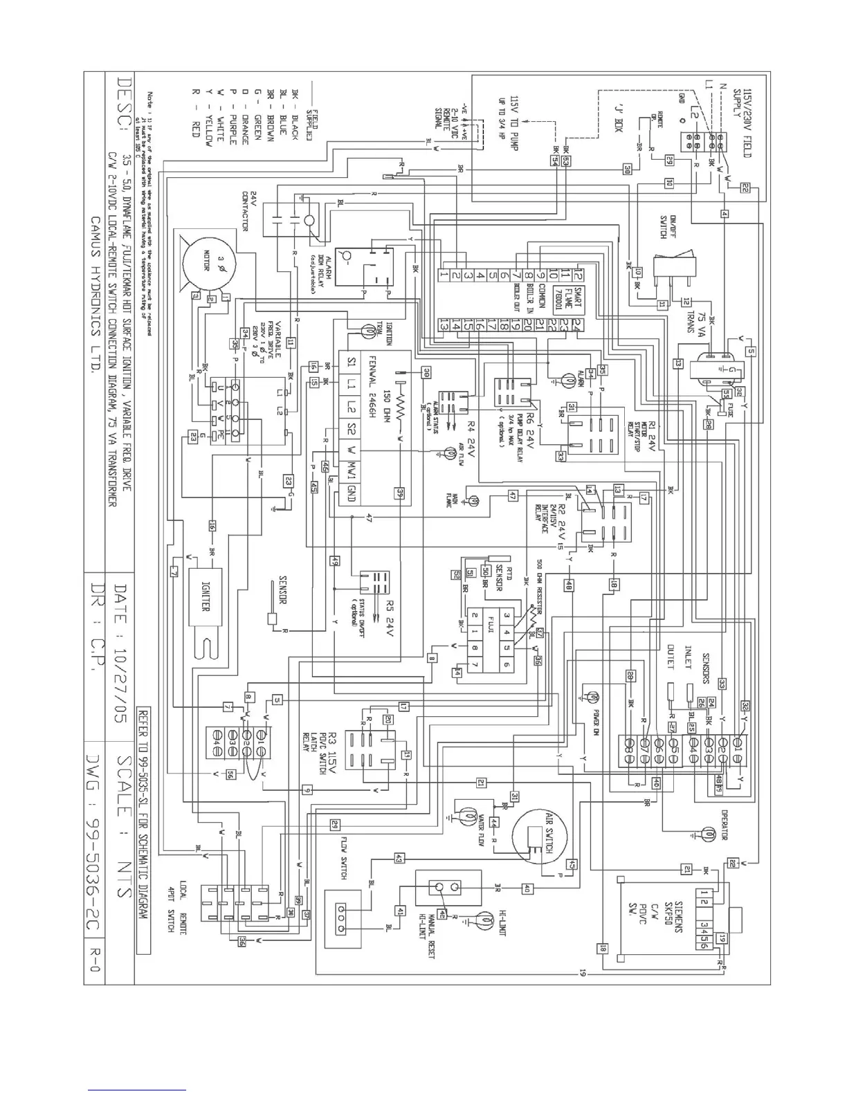
Camus Hydronics DFH1100
53 pages
Print Icon
To Next Page IconTo Next Page
To Next Page IconTo Next Page
To Previous Page IconTo Previous Page
To Previous Page IconTo Previous Page
Loading...
47

Table of Contents

Related product manuals