EasyManua.ls Logo

Camus Hydronics DFH500 - Page 51

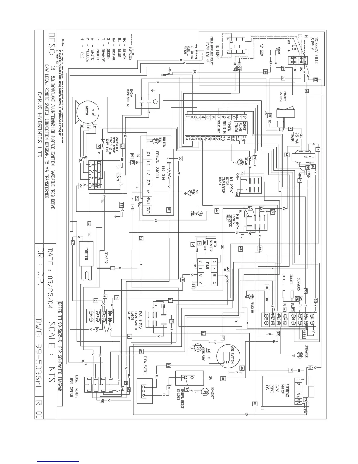
Camus Hydronics DFH500
53 pages
Print Icon
To Next Page IconTo Next Page
To Next Page IconTo Next Page
To Previous Page IconTo Previous Page
To Previous Page IconTo Previous Page
Loading...
48

Table of Contents

Related product manuals