EasyManua.ls Logo

C&S IRIPROx-1ER - Page 10

C&S IRIPROx-1ER
14 pages
Print Icon
To Next Page IconTo Next Page
To Next Page IconTo Next Page
To Previous Page IconTo Previous Page
To Previous Page IconTo Previous Page
Loading...
P1 P1
P1
S2 S2 S2
S1 S1
S1
P2 P2 P2
L1
L2
L3
Digital Output
DO-3
DO-2
DO-1
B1
B3
B5
B2
B4
B6
(Trip)
P1 P1
P1
S2 S2 S2
S1 S1
S1
P2 P2 P2
R
sr
A2
A1
R
sr
A4
A3
R
sr
A6
A5
1A/5A
COM
1A/5A
COM
1A/5A
COM
B7
B8
Power Supply
Id1
Id2
Id3
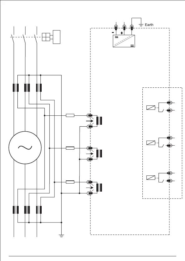
Connection Diagram
IRIPROX-3ER
10

Related product manuals