EasyManua.ls Logo

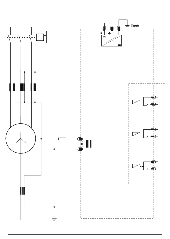
C&S IRIPROx-1ER - Connection Diagram

C&S IRIPROx-1ER
14 pages
Print Icon
To Next Page IconTo Next Page
To Next Page IconTo Next Page
To Previous Page IconTo Previous Page
To Previous Page IconTo Previous Page
Loading...
L1
L2
L3
Digital Output
DO-3
DO-2
DO-1
B1
B3
B5
B2
B4
B6
(Trip)
P1 P1
P1
S2
S2
S2
S1
S1
S1
P2 P2
P2
R
sr
A6
A5
1A/5A
COM
B7
B8
Power Supply
Connection Diagram
P1
S2
S1
P2
IRIPROX-1ER
09

Related product manuals