EasyManua.ls Logo

Cardin BL1920 - Wiring Diagram

Cardin BL1920
Print Icon
To Next Page IconTo Next Page
To Next Page IconTo Next Page
To Previous Page IconTo Previous Page
To Previous Page IconTo Previous Page
Loading...
8
C
LD1
LD2
LD3
LD4
LD6
LD7
LD5
LD8
TAL
CSER
262524232221201918171615
383736353433323130292827
TA
ANTENNA
TC TD
FTC_S
FTC_I
NC
NCNC
TB
COMUNE
COMUNE
COMUNE
COMUNE
COMUNE
1
141312111098765432
FCC_1
FCA_1
NC NC
COMUNE
FCC_2
FCA_2
NC NC
COMUNE
NAC
OUT CH2
LS
24V3W
ELS
12V15W
OUT
24V
NA NA NA NA
LC
230Vac
LP
230Vac
M2
CHIUSURA
COMUNE
APERTURA
C
M1
CHIUSURA
COMUNE
APERTURA
NF
414039
24V
BRIDGE
12V 0
C
1
65432
NA
NC
NC
C
NA
FTC-RX
1
32
24V
12V
0
FTC-TX
N
1
2
M1 SX
1
2
C1
1
2
ELS
LP
230Vac
C2
10µF
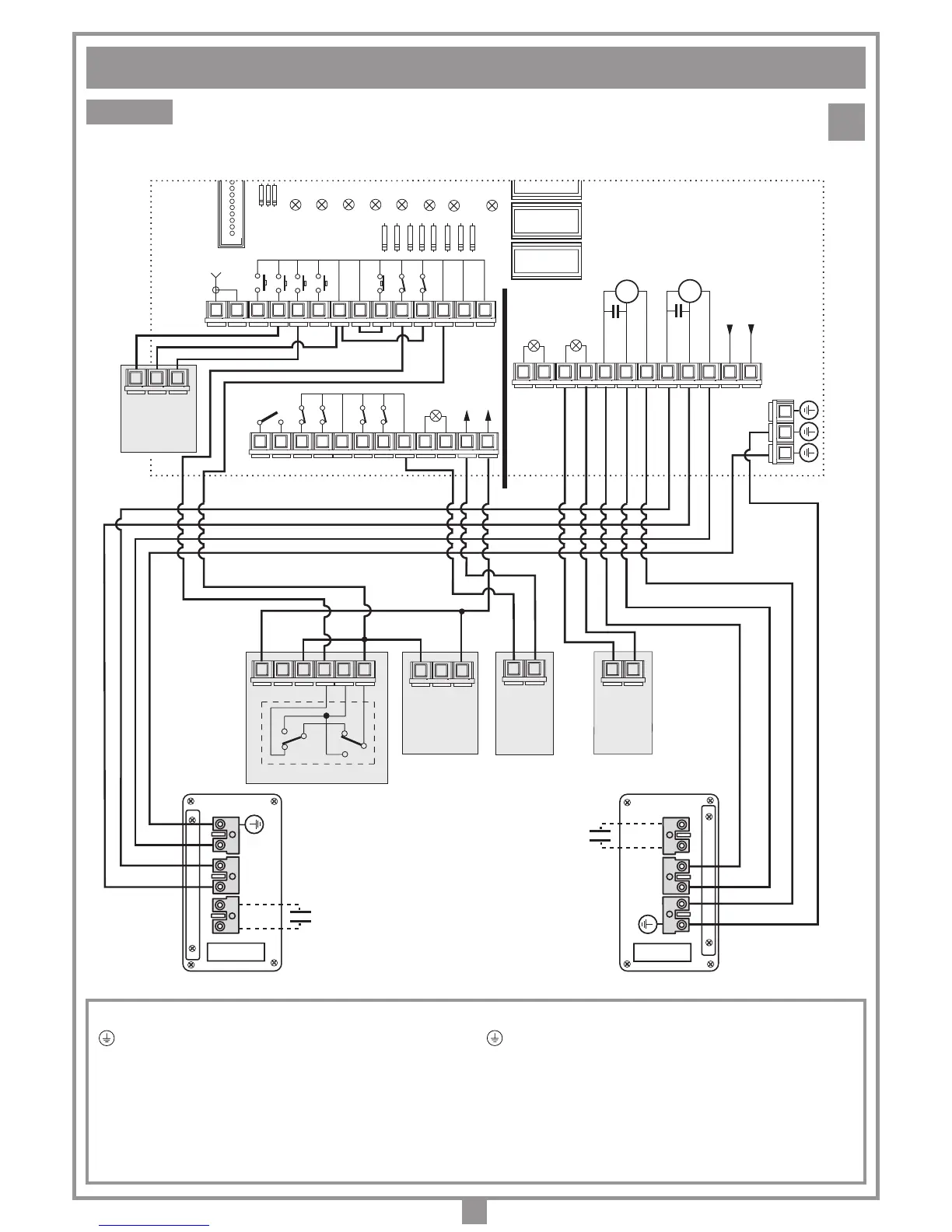
Programmatore a microcontrollore per 2 motori
19-12-2002
DI0268
Description :
Product Code :
Date :
Drawing number :
P.J.Heath
CARDIN ELETTRONICA S.p.A - 31020 San Vendemiano (TV) Italy - via Raffaello, 36 Tel: 0438/401818 Fax: 0438/401831
Draft :
All rights reserved. Unauthorised copying or use of the information contained in this document is punishable by law
COLLEGAMENTO SERIE BL (230V)
BL1920
SEL
1
32
CLOSING
COMMON
OPENING
M2 DX
N
1
2
10µF
SCHEMA ELETTRICO IMPIANTO TIPO - STANDARD WIRING DIAGRAM - SCHÉMA ÉLECTRIQUE DE L'EXEMPLE D'INSTALLATION
ELEKTRISCHER SCHALTPLAN ANLAGENART - ESQUEMA ELECTRICO INSTALACIÓN ESTANDAR
14
PRG811
M1 (SX) sinistra/left/gauche/links/izquierda
- Terra/Ground/Terre/Erdung/Tierra
N - Comune/Neutral/Commun/Gemeinsam/Común
1 - Apre/Open/Ouvre/Öffnen/Abre
2 - Chiude/Close/Ferme/Schliessen/Cierra
UTILIZZARE PER IL COLLEGAMENTO ELETTRICO CAVO MULTIPOLARE FLESSIBILE 3 x 1 + T
USE FLEXIBLE MULTIWIRE CABLES FOR THE ELECTRICAL CONNECTION 3 x 1 + EARTH WIRE
POUR LE BRANCHEMENT ÉLECTRIQUE, UTILISER UN CÂBLE MULTIPOLAIRE FLEXIBLE 3 X 1 + T
ZUM ANSCHLUSS EIN MEHRPOLIGES FLEXIBLES ELEKTROKABEL 3 X 1 + T VERWENDEN.
PARA LA CONEXIÓN ELECTRICA UTILIZAR UN CABLE MULTIPOLAR FLEXIBLE 3 x 1 + T
M2 (DX) destra/right/droite/rechts/derecha
- Terra/Ground/Terre/Erdung/Tierra
N - Comune/Neutral/Commun/Gemeinsam/Común
1 - Chiude/Close/Ferme/Schliessen/Cierra
2 - Apre/Open/Ouvre/Öffnen/Abre

Related product manuals