EasyManua.ls Logo

Carlyle 06DR337 - 3.9 Electric Solenoid Capacity Control Operation

Default Icon
72 pages
Print Icon
To Next Page IconTo Next Page
To Next Page IconTo Next Page
To Previous Page IconTo Previous Page
To Previous Page IconTo Previous Page
Loading...
21
3.8 Pressure Differential (P) Required to Load
Compressor
A minimum P between the discharge and suction pres-
sure is required to compress the unloader valve spring
to load up the cylinder bank. While this differential pres-
sure is low, it should be evaluated for certain low head
pressure applications such as R-12, R-134a, air condi-
tioning applications or the low stage of booster applica-
tions. The discharge pressure must be higher than the
suction pressure in Table 4 (Page 20) for the unloader
assembly to load up.
Suction cut-off unloading is an option for all four and six
cylinder Carlyle 06D/E compressors. The capacity con-
trol operation and application requirements are found in
the System Design section (Section 1.0) of this manual
and should be carefully reviewed.
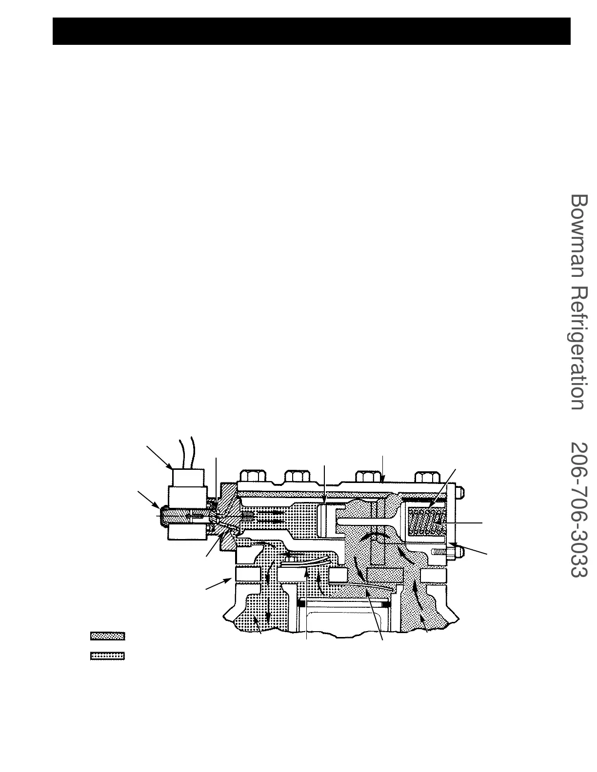
3.9 Electric Solenoid Capacity Control Operation
The electrically operated control valve is actuated by
remote signal to the electric solenoid coil. Each valve
controls 2 cylinders (1 bank). No manual adjustments to
the electric unloader valve are necessary. When the sole-
noid is “de-energized”, the passageways in the valve are
aligned for “loaded” conditions. When the solenoid is
“energized”, the valve passageways are aligned for
unloading.
This capacity control valve is controlled by an electric
solenoid. When the solenoid is de-energized, the valve
loads the cylinder bank (2 cylinders) as shown in
Figure 12.
When full capacity is desired, an external controller de-
energizes the solenoid coil, allowing the discharge pres-
sure to build-up behind the unloader piston assembly.
This will compress the unloader valve spring, opening
the unloader suction port. Suction gas can now be
drawn into the cylinders, running the bank fully loaded.
COIL
DE-ENERGIZED
CLOSE
PORT
UNLOADER
PISTON
ASSEMBLY
UNLOADER
HEAD
UNLOADER
VALVE
BODY
UNLOADER
VALVE
SPRING
COVER
PLATE
SUCTION
VALVE
DISCHARGE
VALVE
PISTON
DISCHARGE
MANIFOLD
SUCTION
MANIFOLD
VALVE
PLATE
PRESSURE
BLEED
ORIFICE
SOLENOID
VALVE
ASSY
SUCTION
DISCHARGE
Figure 12 – Electric Loaded Operation
Bowman Refrigeration 206-706-3033

Table of Contents

Related product manuals