EasyManua.ls Logo

Carrier 40MAQ Series - Wiring Diagram Size 24 (208-230 V)

Carrier 40MAQ Series
64 pages
To Next Page IconTo Next Page
To Next Page IconTo Next Page
To Previous Page IconTo Previous Page
To Previous Page IconTo Previous Page
Loading...
15
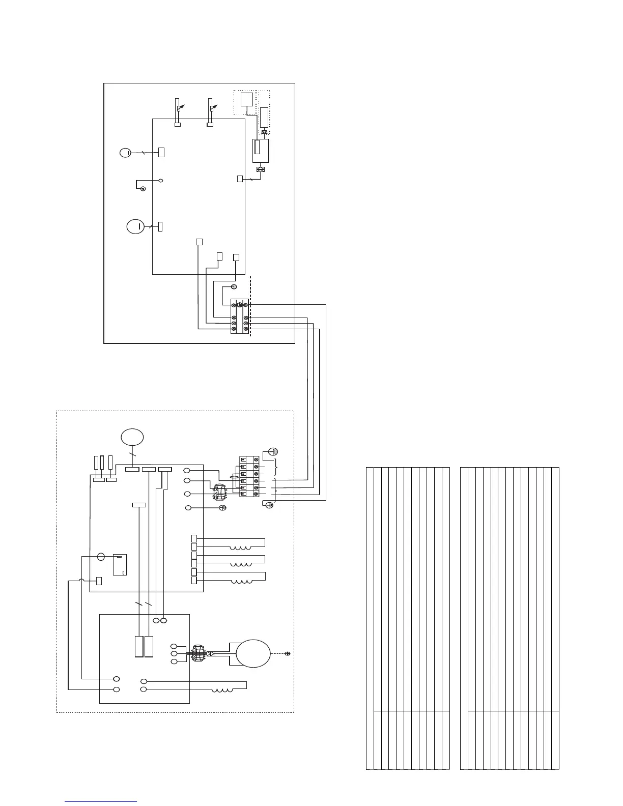
INDOOR WIRING DIAGRAM
6
52207(03(5$785(6(1625
3,3( 7(03(5$785( 6(1625
6:,1*02725
M
CN5
YELLOW
RED

,1)$1
M
5
CN4
N
CN11
CN16
&1
&1
L-IN
CN2
P_1
BLUE(BLACK)
INDOOR UNIT
OUTDOOR UNIT
JX1
Y/G
L1
L2
S
',63/$<%2$5'
&1
$
8(7)

&1
Wire Contoller
OPTIONAL
Wi-Fi
Contoller
OPTIONAL
&1
&1
52
6
6
(
53
02
&
1$)&'
1
&
8
5
9
6
:&
/,1
1,1
&7
%/8(
%/$&.
8
9
:
&1
0$,1%2$5'
&1
7
7
3
5('
',6&+$5*(6(1625
&1
&1
*1'
&20
5<
21
1287
&1
1
&
1
&
a
a
1
&
1
&
,30%2$5'
5('
5($&725
%/8(
%/8(
%/8(
KC
ALB
D
ER
L-OUT
<*
&1
1
&
1
&
&1
2
1&
&1
5('
%/8(
&1
&1
+($7(5
+($7
&1
&1
:$<
:$<
+($7(5
&1
&1
+($7
287'225$0%,(17
7(03(5$785(6(1625
&21'(16(5
7(03(5$785(6(1625
Y/G
DER
/
/
6
/
/
72,1'22581,7
32:(56833/<
KCAL
B
/
/
CN10
S
YELLOW
Y/G
/ /
S
Fig. 13 Wiring Diagram Size 24 (208- 230V)
INDOOR UNIT CONTROL BOARD
INPUT or OUTPUT VALUE
L_IN Power Voltage AC 230V
CN11 Power Voltage AC230V
CN16 Rela ti ve to the N terminal vol tag e DC 24V
CN15 Maximum v oltageDC5V
CN4 Indoor fan interface,Maximum voltageDC310V
CN5 Stepper motor interface,Maximum voltage between the linesDC12V
P_1 Ground
CN8 Room temperature sensor interface,maximum voltageDC5V
CN9 Pipe temperature sensor interface,maximum voltageDC5V
CN10A Display interface,maximum voltage between the linesDC5V
OUTDOOR UNIT CONTROL BOARD
INPUT or OUTPUT VALUE
L_IN Power Voltage AC 230V
CN11 Power Voltage AC230V
CN16 Rela ti ve to the N terminal vol tag e DC 24V
CN15 Maximum v oltageDC5V
CN6 Maximum output voltage AC230V
CN4 Indoor fan interface,Maximum voltageDC310V
CN5 Stepper motor interface,Maximum voltage between the linesDC12V
P_1 Ground
CN8 Room temperature sensor interface,maximum voltageDC5V
CN9 Pipe temperature sensor interface,maximum voltageDC5V
CN10A Display interface,maximum voltage between the linesDC5V
CN14 Stepper motor interface (optional),maximum voltage between the linesDC12V

Related product manuals