EasyManua.ls Logo

Carrier 40VMW005 - Page 12

Carrier 40VMW005
18 pages
Print Icon
To Next Page IconTo Next Page
To Next Page IconTo Next Page
To Previous Page IconTo Previous Page
To Previous Page IconTo Previous Page
Loading...
12
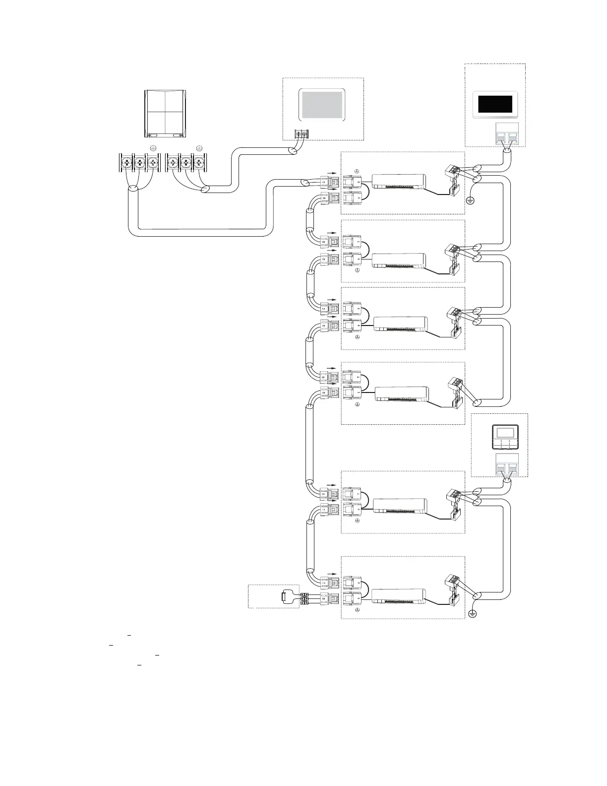
Fig. 21 —Typical Communication Wiring of Heat Pump System
P Q
X Y
X Y
Centralized controller
HA HB
P Q
P Q
P Q
P Q
P Q
P Q
wired controller
HA HB
L1
L3
L5
L6
L7
L8
L9
L10
L11
L3
L3
L3
L3
Outdoor unit
Indoor unit 5#
Indoor unit 6#
Indoor unit 3#
Indoor unit 4#
Indoor unit 2#
Indoor unit 1#
P
Q
Note: Power from IDU
Maximum wiring length
L1+L3 < 3937 ft. 18 AWG, 2-Core Stranded Shield
L5< 3937 ft. 18 AWG, 2-Core Stranded Shield
L6+L7+L8+L9< 820 ft. 18 AWG, 2-Core Stranded Shield
L10+L11 < 820 ft. 18 AWG, 2-Core Stranded Shield
Note: 24v DC Power
Touch screen
wired controller
HA HB
HA HB
HA HB
HA HB HA HB
HA HB
Network
Resistor
NOTE: Network resistor is shipped with the outdoor unit for
installation on heat pump systems.
LEGEND
AWG
America Wire Gage
IDU
Indoor Unit

Related product manuals