EasyManua.ls Logo

Carrier AC - Wiring Diagrams (Heat Pump & AC Models)

Carrier AC
12 pages
Print Icon
To Next Page IconTo Next Page
To Next Page IconTo Next Page
To Previous Page IconTo Previous Page
To Previous Page IconTo Previous Page
Loading...
24 VAC HOT
24 VAC COMM
FAN
COOL/HEAT
STAGE 2
HEAT STAGE 3
R
Y/Y2
R
C
C
C
R
MODEL 2S
THERMOSTAT
FK4C
EASY SELECT
TERMINAL BOARD
TWO-SPEED
HEAT PUMP
J1 JUMPER
J2 JUMPER
See notes 4, 6, 7, 9 and 10
G
G
Y/Y2
DH
W/W1 W1
W2W2
RVS COOLING
COOL/HEAT
STAGE 1
RVS HEATING
OUTDOOR
SENSOR
CONNECTION
Y1
L
S1
S2
B
Y1
Y1
Y2
O/W2
OO
A97135
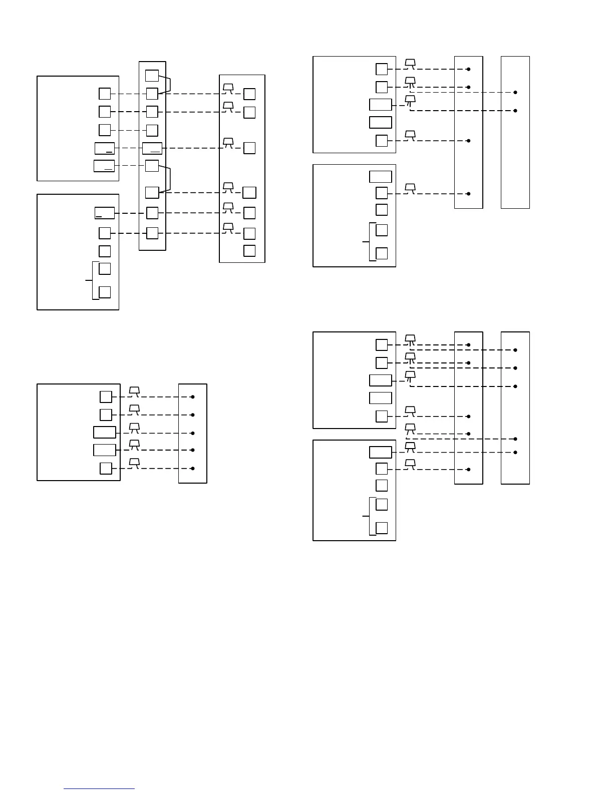
Fig. 18—Two-Speed Heat Pump
with FK4C Fan Coil
24 VAC HOT
24 VAC COMM
HEAT STAGE 1
COOL STAGE 1
FAN
C
R
G
W/W1
Y/Y2
MODEL AC
THERMOSTAT
SPLICE
BOX
RED
BRN
WHT
YEL
GRN
See note 7
A96297
Fig. 19—Single-Speed Packaged Air Conditioner
with Single-Stage Gas Furnace (48SS, SX)
B
S1
S2
SPLICE
BOX
RED
YEL
WHT
See notes 2, 7, and 11
O/W2
HEAT STAGE 2
N/A
Y1
COOL STAGE 1
OUTDOOR
SENSOR
CONNECTION
HEATER
CONTROL BOX
GRN
BRN
BRN
24 VAC HOT
24 VAC COMM
HEAT STAGE 1
COOL STAGE 2
FAN
C
R
G
W/W1
Y/Y2
MODEL 2S
THERMOSTAT
A97136
Fig. 20—Single-Speed Packaged Air Conditioner
with Single-Stage Electric Heat (50SS, SX, ZP)
B
S1
S2
SPLICE
BOX
YEL
WHT
PNK
See notes 2, 7, 8, and 11
O/W2
HEAT STAGE 2
N/A
Y1
COOL STAGE 1
OUTDOOR
SENSOR
CONNECTION
HEATER
CONTROL BOX
GRN
VIO
BRN
BRN
RED
RED
24 VAC HOT
24 VAC COMM
HEAT STAGE 1
COOL STAGE 2
FAN
C
R
G
W/W1
Y/Y2
MODEL 2S
THERMOSTAT
RED (TRAN)
A97137
Fig. 21—Single-Speed Packaged Air Conditioner
with 2-Stage Electric Heat (50SS, SX, ZP)
8

Related product manuals