EasyManua.ls Logo

Carrier DHMSHAQ12XA3 - WIRING DIAGRAMS (CONT)

Carrier DHMSHAQ12XA3
42 pages
To Next Page IconTo Next Page
To Next Page IconTo Next Page
To Previous Page IconTo Previous Page
To Previous Page IconTo Previous Page
Loading...
8
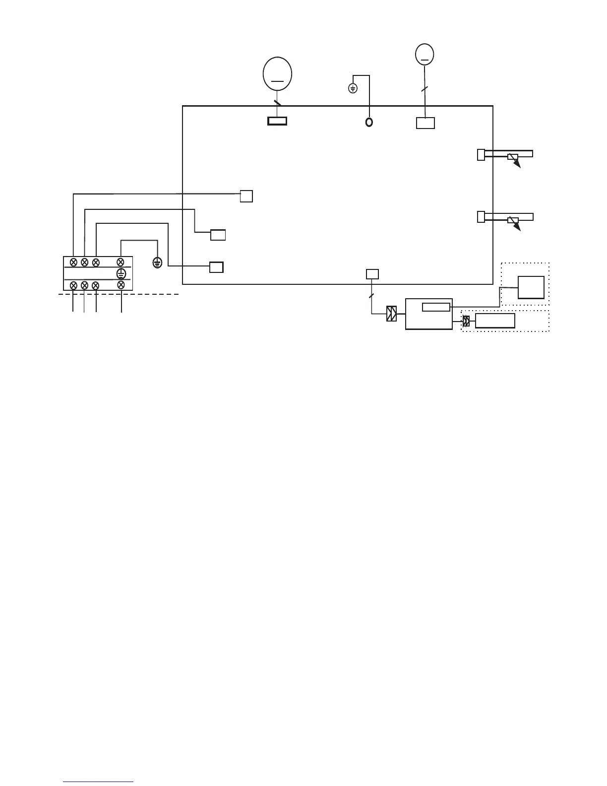
WIRING DIAGRAMS (CONT)
INDOOR WIRING DIAGRAM
6
52207(03(5$785(6(1625
3,3( 7(03(5$785( 6(1625
6:,1*02725
M
CN5
YELLOW
RED

,1)$1
M
5
CN4
N
CN11
CN16
&1
&1
L-IN
CN2
P_1
BLUE(BLACK)
INDOOR UNIT
OUTDOOR UNIT
JX1
Y/G
L1
L2
S
',63/$<%2$5'
&1$
8(7)
&1
Wire Contoller
OPTIONAL
Wi-Fi
Contoller
OPTIONAL
&1
&1
Fig. 6 – Wiring Diagram Sizes 09−36 (208−230V)
Table 7—INDOOR UNIT CONTROL BOARD
INPUT or OUTPUT VALUE
L_IN Power Voltage: AC230V
CN11 Power Voltage: AC230V
CN16 Relative to the N terminal voltage: DC24V
CN15 Maximum voltage: DC5V
CN4 Indoor fan interface, maximum voltage: DC310V
CN5 Stepper motor interface, maximum voltage between the lines: DC12V
P_1 Ground
CN8 Room temperature sensor interface, maximum voltage: DC5V
CN9 Pipe temperature sensor interface, maximum voltage: DC5V
CN10A Display interface,maximum voltage between the lines: DC5V

Related product manuals