EasyManua.ls Logo

Carrier DHMVHA - Wiring Diagram; Internal Unit Wiring

Carrier DHMVHA
54 pages
To Next Page IconTo Next Page
To Next Page IconTo Next Page
To Previous Page IconTo Previous Page
To Previous Page IconTo Previous Page
Loading...
:
Manufacturer reserves the right to change, at any time, specifications and designs without notice and without obligations.
6
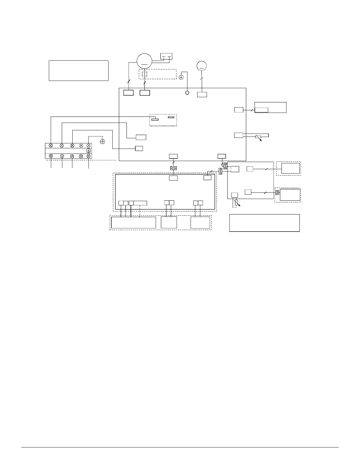
WIRING DIAGRAM
Sizes 09K to 24K
Fig. 5 — Wiring Diagram Sizes 09K-24K (115V and 208-230V)
YELLOW
Y/G
RED
N_I N
CN31
RY1
L-OUT
L-IN
BLUE(BLACK)
CN18
MAIN CONTROL BOARD
CN32
INDOOR UNIT
OUTDOOR UNIT
JX1
1
(L1)
2(L2)
3(S)
HORIZ ONT AL
SWING MOTOR
M
CN19
5(10)
P_1
INDOOR COIL OUTLET
TEMP. SENSOR(T2)
CN29
CN15
CN701
SWITCH BOARD
2
ROOM TEMP . SENSOR(T1)
DISPLAY BOARD
4
WIRED
CONTROLLER
MULTI-FUNCTION CONTROL BOARD
WiFi
MODULE
CN3
5
CN2
CN4
CN1
CN40
CN43
2
CN42 CN41
CN45
CN46
XY
E 12V/5V
PROGRAMMABLE
WIRED CONTROLLER
RE MOTE
ON/OFF
ALARM
4
3
M AGNET RING
OUTPUT:230VAC
OUTPUT:12VDC
OUT PUT :
0-5VDC
OUTPUT:5VDC
O UTPUT:0-24VDC
INPUT:230VAC
OUTPUT:12VDC
INPUT:12VDC
INPUT:5VDC
INPUT:0-5VDC
Note1:COMPONENT IN
DASH LINE IS OPTIONAL
OR FIELD WIRING.
Note2:The programmable wired
controller and CCM COMM.BUS
use the same port CN42 CN41
INPUT:5VDC
OUTPUT:5VDC
OUTPUT:5 VDC
OUTPUT:5VDC
M
3
CN12
3
CN13
CAP

Related product manuals