EasyManua.ls Logo

Carrier Performance 50VT-A24 - Page 11

Carrier Performance 50VT-A24
50 pages
To Next Page IconTo Next Page
To Next Page IconTo Next Page
To Previous Page IconTo Previous Page
To Previous Page IconTo Previous Page
Loading...
11
A10197
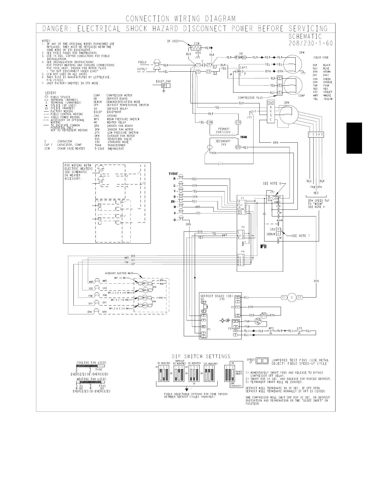
Fig. 12 -- Connection Wiring Schematics 208/230--1 -- 60
50VT--A

Table of Contents

Related product manuals