EasyManua.ls Logo

Carter INTERCEPTOR GTR 250 - Wiring Diagram

Carter INTERCEPTOR GTR 250
109 pages
Print Icon
To Next Page IconTo Next Page
To Next Page IconTo Next Page
To Previous Page IconTo Previous Page
To Previous Page IconTo Previous Page
Loading...
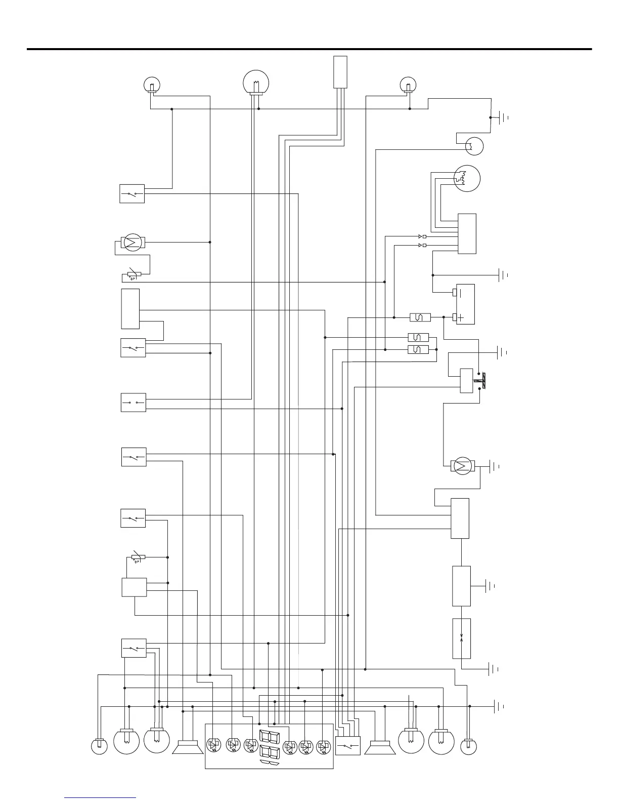
WIRING DIAGRAM
Turn Signal
Light blue
Green
Position Light
Brown
Green
Head Light
Blue
Pink
Green
Light green
Green
Horn
S
peedo Meter
Horn
Brown
/White
Orange
Green
/Black
Blue White
Blue
Light blue
White/Red
White/Black
Black
Red/White
Yellow/Red
Light green
Green
Ignition Switch
Head Light
Blue
Pink
Green
Positon Light
Green
Brown
Turn Singal
Light blue
Green
Spark Plug
Ignition Coil
Black/
Yellow
CDI
White/Black
Blue/White
Green
Yellow/Red
Green
Starter Motor
Black
White
White/Red
Red
Red/White
Green
Red
Black
Booster
Battery
White/Red
Y
ellow
Y
ellow
Y
ellow
Magnito
Green
Trigger Winding
Green
T
urn Signal
Light blue
Velocity Generator
Black
Green
Y
ellow/White
Tail Lamp
Green/
Y
ellow
Brown
Green
Orange
Green
Neutral Switch
Light green
green
Green
Blue/Black
Turn
Signal
Switch
White/Red
White
Flasher Unit
Gray
Light blue
Orange
T
urn Signal Switch
Black
Green/
Yellow
Horn Switch
Brake Light Switch
Light green
White/Red
Reverse Sensor
Green
Green/Black
GreenGreen
White/Blue
Tenperature
W
arning Sensor
T
emperature
Control Box
Red/White
Brown/White
Head Light
Switch
Blue White
Pink
Blue
Brown
40
Black
Green

Related product manuals