EasyManua.ls Logo

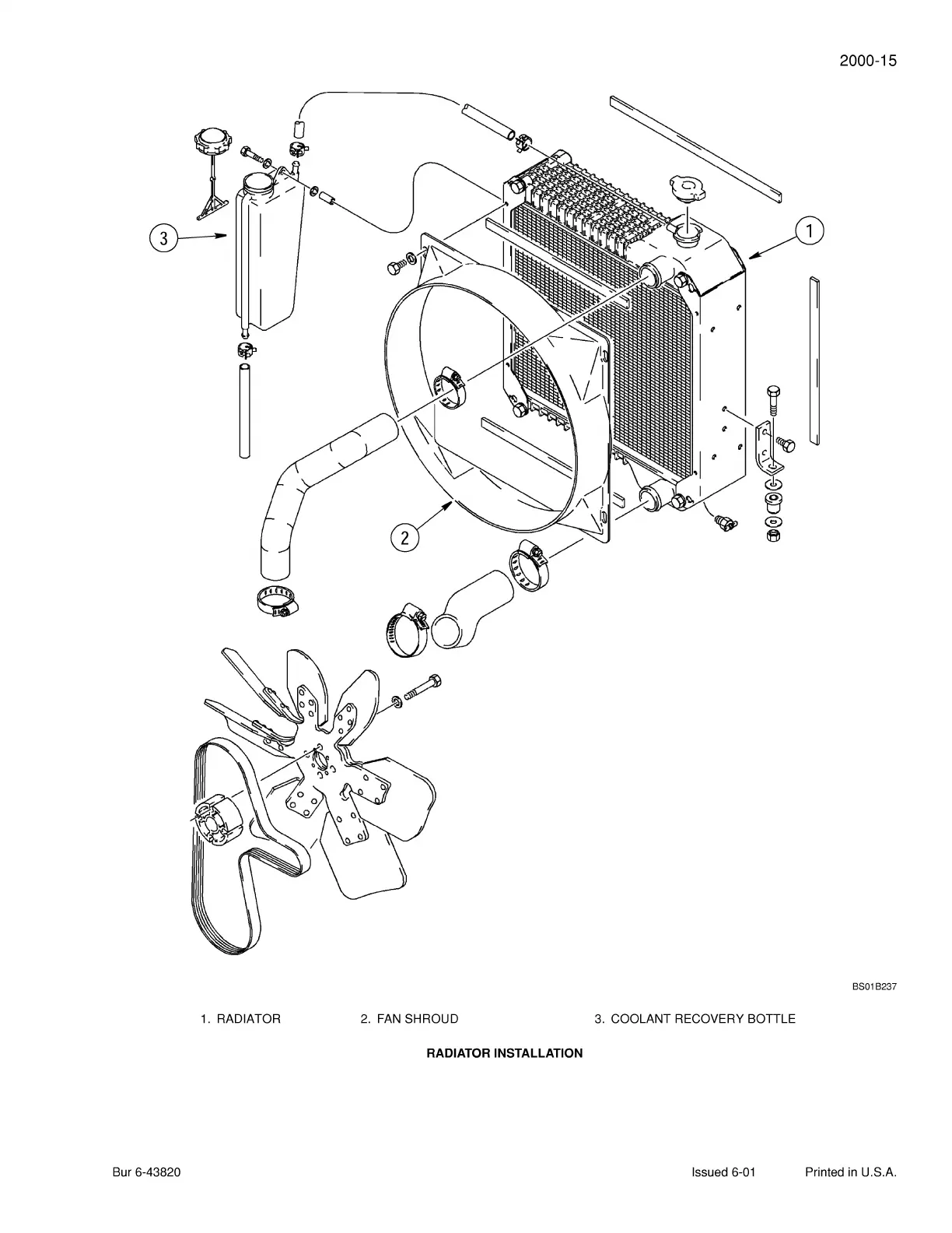
Case 570MXT - Radiator Installation Diagram

Case 570MXT
41 pages
Print Icon
To Next Page IconTo Next Page
To Next Page IconTo Next Page
To Previous Page IconTo Previous Page
To Previous Page IconTo Previous Page
Loading...
2000-15
BS01B237
1.
RADIATOR
2.
FAN
SHROUD 3. COOLANT RECOVERY BOTTLE
RADIATOR INSTALLATION
Bur 6-43820 Issued
6-01
Printed
in
U.S.A.

Related product manuals