EasyManua.ls Logo

Case CX130 - Page 114

Case CX130
262 pages
Print Icon
To Next Page IconTo Next Page
To Next Page IconTo Next Page
To Previous Page IconTo Previous Page
To Previous Page IconTo Previous Page
Loading...
4 - 26
DIAGNOSTIC - SELECTION
CASE TRAINING CENTER
AUGUST 2000
Add coolant solution
Description of problem No. 2
- The message is still displayed even after adding coolant solution.
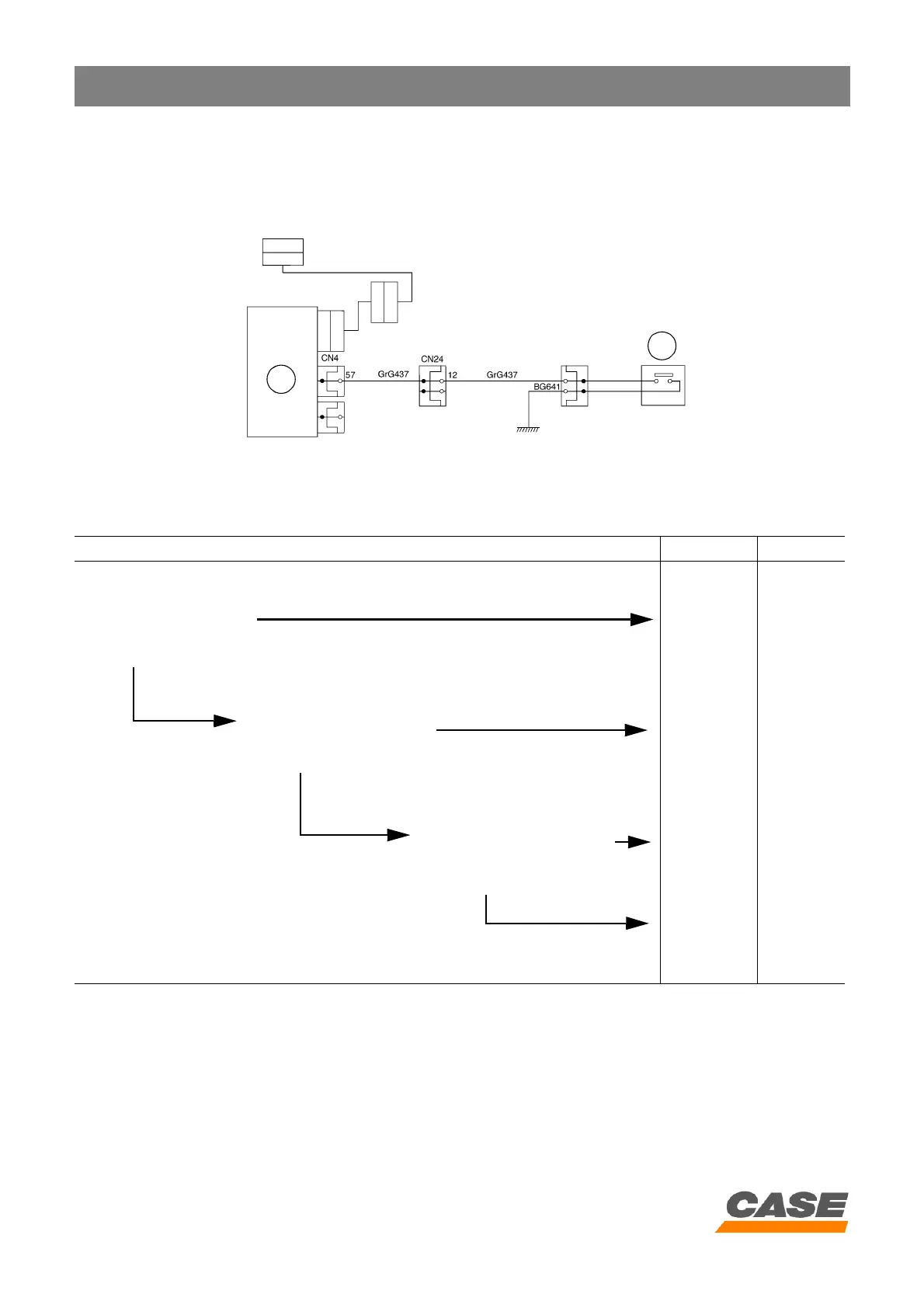
CM00F002
1. Main electronic control box
2. Coolant solution level switch
Troubleshooting Cause Action
Starter key switch ON
Disconnect the reserve tank
level pressure switch
connector to see if the
message disappears
YES
Reserve tank
level pressure
switch is
defective
Change the
reserve tank
NO
Disconnect connector CN24 to
see if the message disappears
YES
Short-circuit on
wire GrG
between the
reserve tank
level pressure
switch and
CN24
Repair wire
GrG
NO
Disconnect the connector CN4
to see if the message
disappears
YES
Short-circuit on
wire GrG
between CN24
and CN4
Repair wire
GrG
NO
Main electronic
control box
defective
Change the
main
electronic
control box
1
2

Related product manuals