EasyManua.ls Logo

Case CX130 - Page 176

Case CX130
262 pages
Print Icon
To Next Page IconTo Next Page
To Next Page IconTo Next Page
To Previous Page IconTo Previous Page
To Previous Page IconTo Previous Page
Loading...
5 - 33
ELECTRIC CIRCUIT
CASE TRAINING CENTER
AUGUST 2000
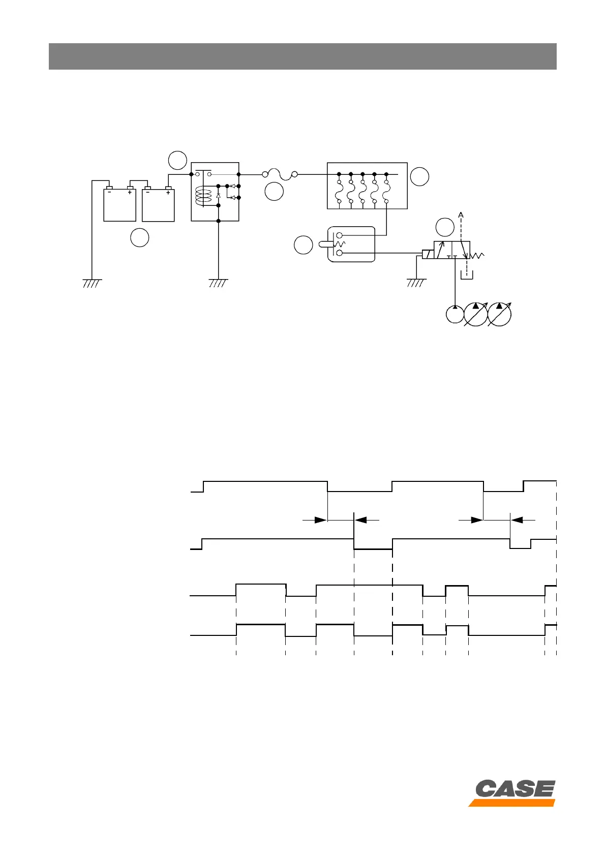
Locking functions
1) Circuit configuration
CS00F501
1. Battery
2. Battery relay
3. Main protective fuse
4. Fuse box
5. Control cancellation lever switch
6. Pilot pressure control solenoid valve
2) Timing diagram
3) Operation
When the engine is started and the control cancellation lever is in the work position, the pilot pressure solenoid
valve is activated.
When the pilot pressure solenoid valve is activated, the pilot pressure is supplied to the pilot systems and the
machine is ready to operate.
1
2
3
4
5
6
3 sec
3 sec
24 V
Starter motor switch
ON
ON
0 V
OFF
OFF
ON
OFF
Supply
Control cancellation lever
position
Pilot pressure solenoid
valve

Related product manuals