EasyManua.ls Logo

Case CX130 - Travel Speed and Engine Emergency Stop

Case CX130
262 pages
Print Icon
To Next Page IconTo Next Page
To Next Page IconTo Next Page
To Previous Page IconTo Previous Page
To Previous Page IconTo Previous Page
Loading...
5 - 37
ELECTRIC CIRCUIT
CASE TRAINING CENTER
AUGUST 2000
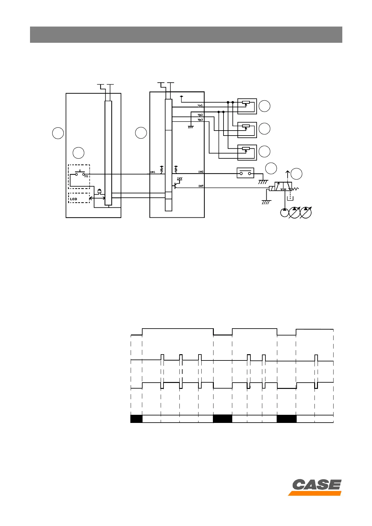
Travel speed
1) Circuit configuration
CS00F504
1. Instrument panel
2. Travel speed switch
3. Main electronic control box
4. Pressure detector P1
5. Pressure detector P2
6. Pump regulating pressure detector (N)
7. Travel pilot pressure switch
8. Travel 2nd speed solenoid valve
2) Timing diagram
1
2
3
4
5
6
7
8
IIII II I III I
II
24 V
Supply
0 V
ON
OFF
5 V
0 V
IN1
Speed
Travel speed
switch

Related product manuals