EasyManua.ls Logo

Case CX130 - Page 199

Case CX130
262 pages
Print Icon
To Next Page IconTo Next Page
To Next Page IconTo Next Page
To Previous Page IconTo Previous Page
To Previous Page IconTo Previous Page
Loading...
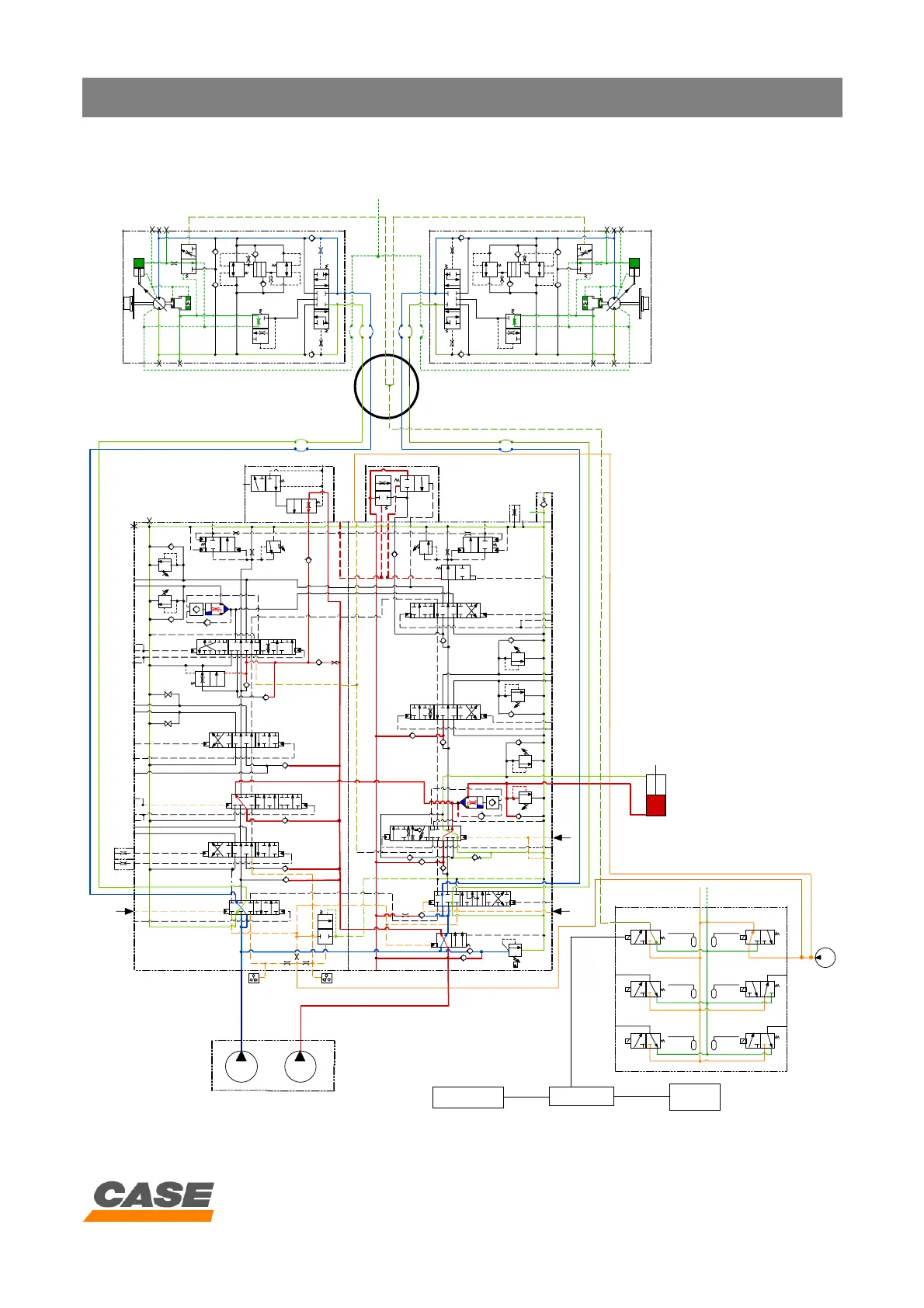
HYDRAULIC CIRCUIT
6 - 6
CASE TRAINING CENTER
AUGUST 2000
5B5
5a51
PL
FL
dr1
ARRIERE
AVANT
FLECHE (2)
TRANSLATION (D)
R1
R3
5A5
5a52
5b52
5b51
5B4
5A4
5a4
5b4
OPT
5a31
5a32
5b31
5b32
5B2
5A2
5a2
5b2
Ø2.5
Ø2.5
5B1
5A1
5a1
5b1
Px2 Px1
Ps1
P12
P11
dr2
MONTEE
DESCENTE
a
PY
FR
R2
PO
FLECHE (1)
TRANSLATION (G)
MONTEE
DESCENTE
ARRIERE
AVANT
R4
R5
4b4
4a42
4a41
4b3
4a3
4A2
4B2
4A3
4B3
4b22
4a2
4b21
4A1
4B1
4b1
4a1
P13
B
ø 3
Ps2
0.29 Mpa
42 psi
2.9 bar
PR
A
A
C
E
F
D
B
ARRIERE GAUCHE
AVANT GAUCHEARRIERE DROITE
AVANT DROITE
RED
B
A
C1
D
C2
RED
B
A
C1
D
C2
MODE DE TRAVAIL
1 , 2
SELECTEUR
DE VITESSE
CONTROLEUR
ROUGE
SURTARAGE
BLEU
COMMANDE PRESSION
PILOTAGE
JAUNE
2
eme
VITESSE
ROSE
FREIN ROTATION
VERT
ANNULATION
ROTATION
VERT CLAIR
ANNULATION
AMORTISSEMENT
C4
C2
P
C5
C3
C1
TB

Related product manuals