EasyManua.ls Logo

Case CX210 - Swing Brake;Swing Lock and Free Swing

Case CX210
273 pages
Print Icon
To Next Page IconTo Next Page
To Next Page IconTo Next Page
To Previous Page IconTo Previous Page
To Previous Page IconTo Previous Page
Loading...
ELECTRICAL
4 - 35
CX EXCAVATORS
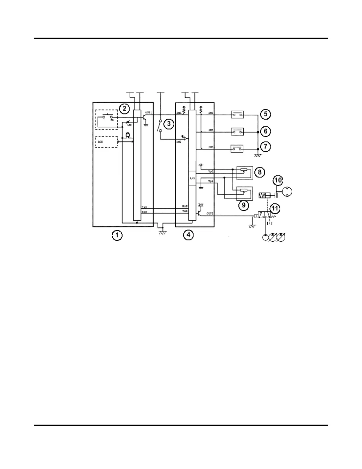
SWING BRAKE
Circuit Configuration
1. Instrument panel
2. Swing brake switch
3. Starter motor switch
4. Main controller
5. Swing pilot pressure switch
6. Pilot pressure switch
7. Travel pressure switch
8. Pressure transducer P1
9. Pressure transducer P2
10. Swing brake
11. Swing brake solenoid valve

Table of Contents

Related product manuals