EasyManua.ls Logo

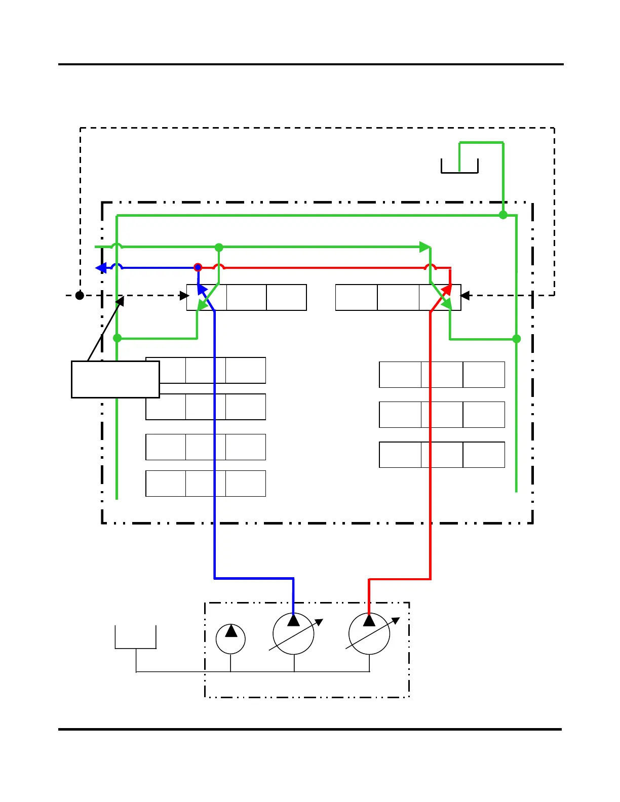
Case CX210 - Arm Open (Out)

Case CX210
273 pages
Print Icon
To Next Page IconTo Next Page
To Next Page IconTo Next Page
To Previous Page IconTo Previous Page
To Previous Page IconTo Previous Page
Loading...
HYDRAULICS – CX130/CX160
5 - 29
CX EXCAVATORS
ARM OPEN (OUT)
Travel
Swing
Boom 2
Option
Arm 1 Arm 2
Bucket
Boom 1
Travel
P1P2PP
Cylinder Supply
Cylinder Return
Pilot oil from
hand control

Table of Contents

Related product manuals