EasyManua.ls Logo

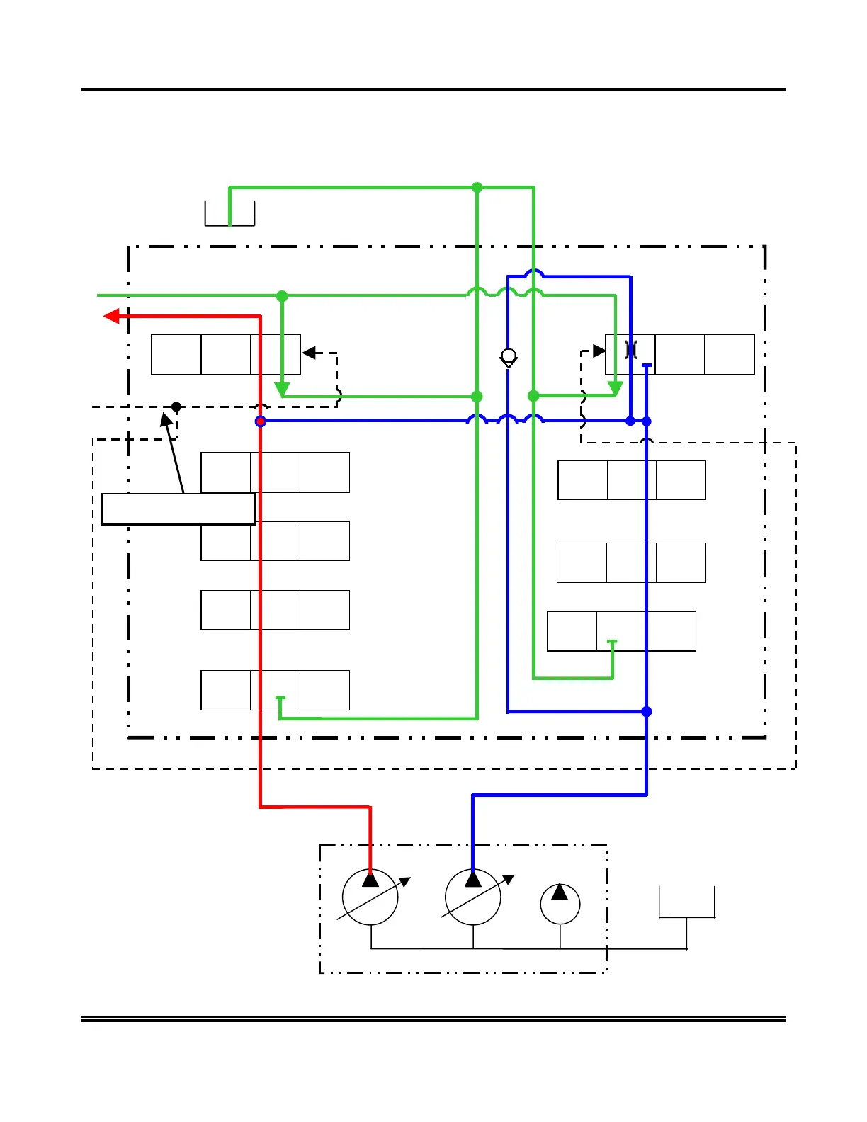
Case CX210 - Arm Open (Out)

Case CX210
273 pages
Print Icon
To Next Page IconTo Next Page
To Next Page IconTo Next Page
To Previous Page IconTo Previous Page
To Previous Page IconTo Previous Page
Loading...
HYDRAULICS – CX210/CX240
6 - 29
CX EXCAVATORS
ARM OPEN (OUT)
P2P1 PP
Travel
Option
Swing
Boom2
Arm1 Arm2
Bucket
Travel
Boom1
From arm hand control

Table of Contents

Related product manuals