EasyManua.ls Logo

Case CX210 - Page 173

Case CX210
273 pages
Print Icon
To Next Page IconTo Next Page
To Next Page IconTo Next Page
To Previous Page IconTo Previous Page
To Previous Page IconTo Previous Page
Loading...
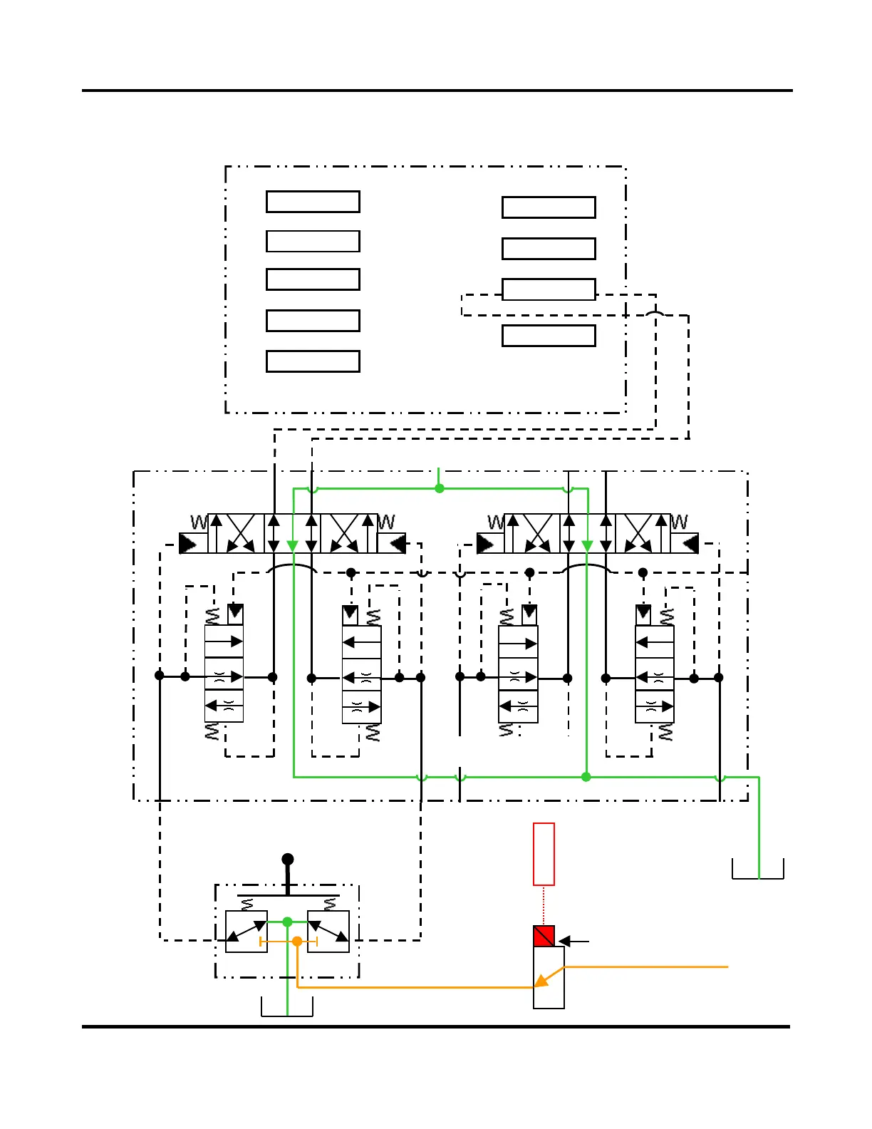
HYDRAULICS – CX130/CX160
5 - 33
CX EXCAVATORS
CUSHION VALVE (NEUTRAL)
Control Valve
10A Fuse
24V
AB
E
GH
C
D
F
T
R
S
Boom 1
Up
Down
Up Down
Boom Control
Pilot Solenoid
550/600 psi
Cushion Valve

Table of Contents

Related product manuals