EasyManua.ls Logo

Case CX210 - Page 206

Case CX210
273 pages
Print Icon
To Next Page IconTo Next Page
To Next Page IconTo Next Page
To Previous Page IconTo Previous Page
To Previous Page IconTo Previous Page
Loading...
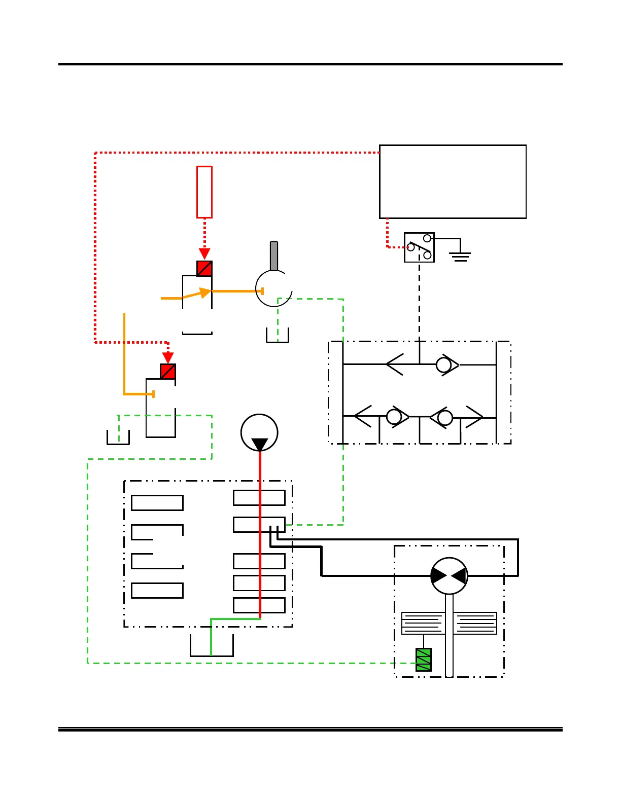
HYDRAULICS – CX210/CX240
6 - 17
CX EXCAVATORS
SWING BRAKE ON
CONTROLLER
10A Fuse
24V
24V
5V
P1
Swing pressure switch
Swing shuttle valve
Pilot control solenoid
Swing brake solenoid
Control
Valve
Swing
Motor
Pilot
Pressure
550/600 psi
Swing hand control

Table of Contents

Related product manuals