EasyManua.ls Logo

Casio EX-468 - Page 103

Casio EX-468
150 pages
Print Icon
To Next Page IconTo Next Page
To Next Page IconTo Next Page
To Previous Page IconTo Previous Page
To Previous Page IconTo Previous Page
Loading...
101
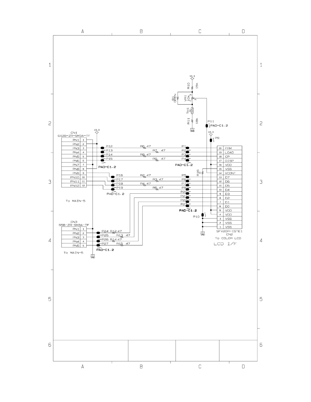
E468-E2-CL
Model
CASIO COMPUTER CO .,LTD
Drawing No.
TE-7000S/8000F/8500F
(EX-468/568/569)
Board No.

Other manuals for Casio EX-468

Related product manuals