EasyManua.ls Logo

Casio QT-2100 - Page 78

Casio QT-2100
115 pages
Print Icon
To Next Page IconTo Next Page
To Next Page IconTo Next Page
To Previous Page IconTo Previous Page
To Previous Page IconTo Previous Page
Loading...
— 76 —
CASIO COMPUTER CO.,LTD.
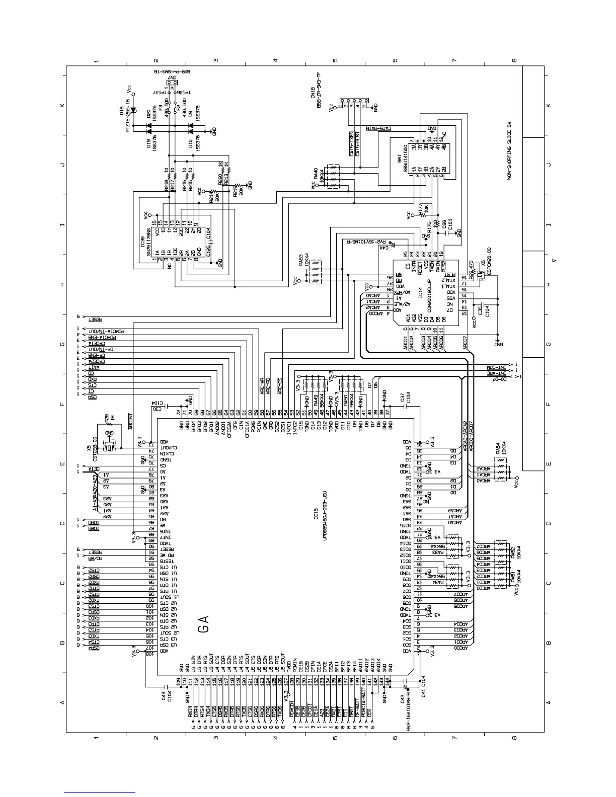
Model
QT-2100 (EX-590)
Board No.
E590-1
Name
BLOCK DIAGRAM [ 5 / 9 ] E240856
Drawing No.
SW1: IN LINE Selection SW
A: Category5
B: ARCNET

Other manuals for Casio QT-2100

Related product manuals