EasyManua.ls Logo

Castex LS-1700 - Control Handle Group

Castex LS-1700
17 pages
Print Icon
To Next Page IconTo Next Page
To Next Page IconTo Next Page
To Previous Page IconTo Previous Page
To Previous Page IconTo Previous Page
Loading...
PARTS LIST
14
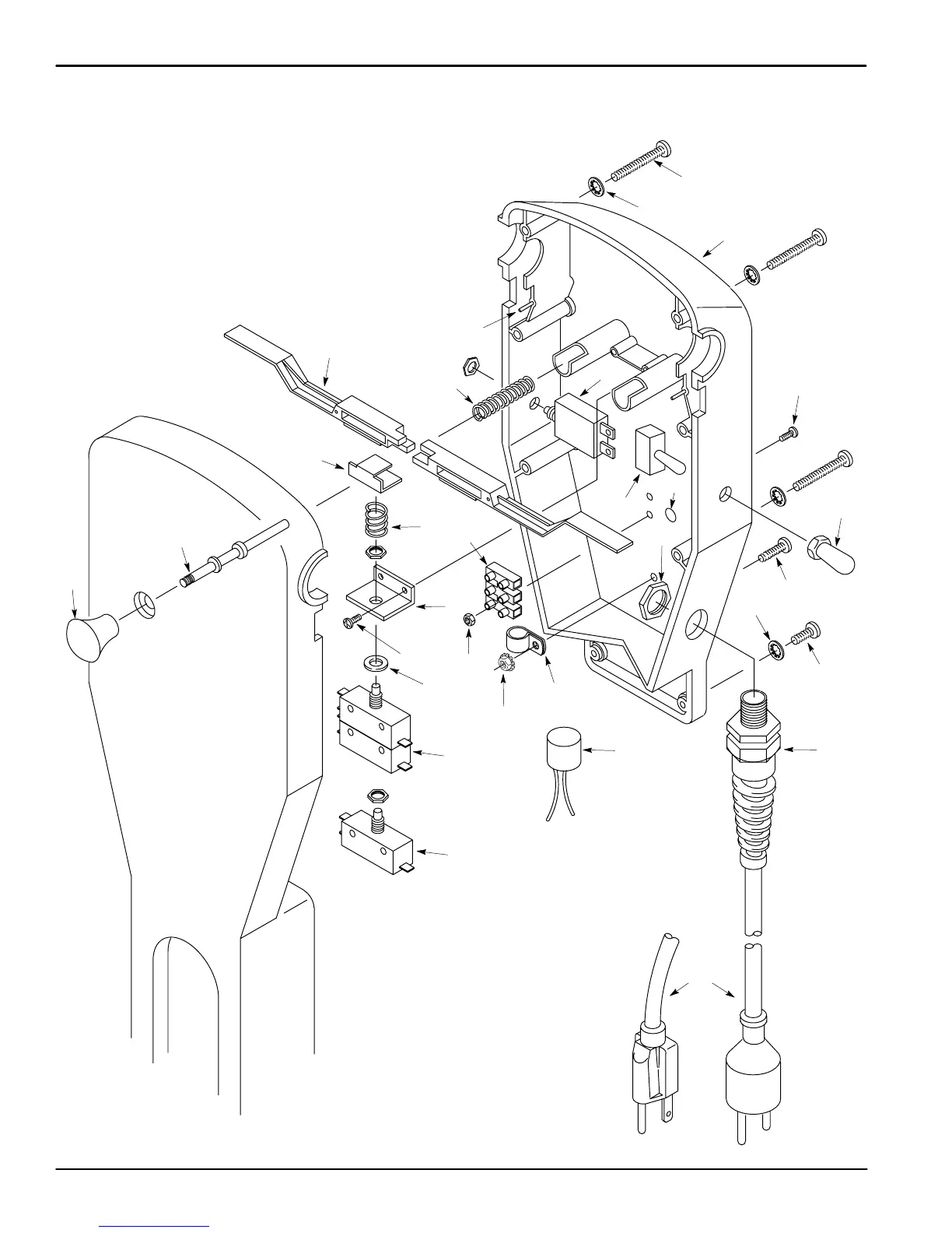
LS-1700/LS-1700HD/TS-1700HD/LS-2000/LS-2000HD/TS-2000HD (0100)
CONTROL HANDLE GROUP
6
1
2
3
4
5
7
9
10
11
13
12
14
15
16
18
17
19
20
22
23
16
24
8 (120V)
21
8 (230V)
26
25
28
27
29

Related product manuals