EasyManua.ls Logo

CEA PROJECT 1300 - Page 16

CEA PROJECT 1300
Print Icon
To Next Page IconTo Next Page
To Next Page IconTo Next Page
To Previous Page IconTo Previous Page
To Previous Page IconTo Previous Page
Loading...
16
EN
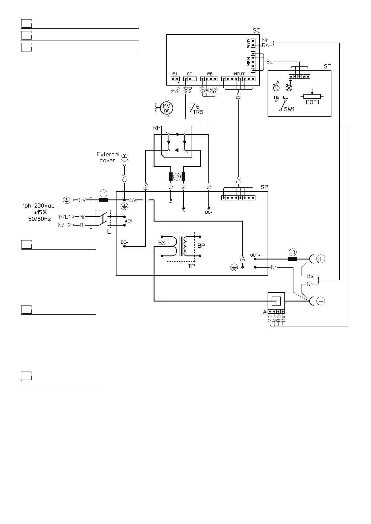
Electro topographical diagram key
•1 Primary transformer coil •2 Secondary transformer coil •3 Supply switch •4 Ferrite •5 White power-on LED •6 Yellow LED with dual function and
protection: THERMOSTAT and OVERCURRENT •7 Blower •8 Current potentiometer •9 Primary rectifier •10 INVERTER control card 11 Front controls
card •12 INVERTER power card •13 Process switch •14 Hall-effect transformer •15 Power transformer •16 Secondary rectifier thermostat
RU
Обозначения электротопографической схемы
•1 Катушка первичной обмотки трансформатора •2 Катушка вторичной обмотки трансформатора •3 Сетевой выключатель •4 Феррит •5 Белый
светодиод сигнализации наличия электропитания от сети •6 Желтый светодиод двойной функции и защиты: ТЕРМОСТАТ и ЗАЩИТА ОТ
ПЕРЕГРУЗКИ ПО ТОКУ •7 Привод вентилятора •8 Потенциометр тока •9 Выпрямитель первичной обмотки •10 ИНВЕРТОРНАЯ плата управления
11 Плата команд на передней панели •12 ИНВЕРТОРНАЯ силовая плата •13 Переключатель процесса •14 Трансформатор на эффекте •15
Холла Силовой трансформатор •16 Термостат выпрямителя вторичной обмотки
•1 •2 •3 •4 •5 •6 •7 •8 •9 •10 •11 •12 •13 •14 •15 •16
BP BS IL L1-2-3 LA LT MV POT1 RP SC SF SP SW1 TA TP TRS
2101FA04
EN
Electro topographical diagram
RU
Электротопографическая схема
EN
Colour key
Bc White
Bl Blue
Gl Yellow
GV Yellow Green
Mr Brown
Nr Black
Rs Red
Vd Green
RU
Цветовая
маркировка
Bc Белый
Bl Синий
Gl Желтый
GV Желто-зеленый
Mr Коричневый
Nr Черный
Rs Красный
Vd Зеленый
Elektro-topograalineskeem
EE
Värvilegend
EE
Bc Valge
Bl Sinine
Gl Kollane
GV Kollane-roheline
Mr Pruun
Nr Must
Rs Punane
Vd Roheline

Related product manuals