EasyManua.ls Logo

CEFLA NewTom GO 2D - Page 41

CEFLA NewTom GO 2D
52 pages
Print Icon
To Next Page IconTo Next Page
To Next Page IconTo Next Page
To Previous Page IconTo Previous Page
To Previous Page IconTo Previous Page
Loading...
39
EN
NewTom GO 2D/3D - TECHNICAL MANUAL
EN
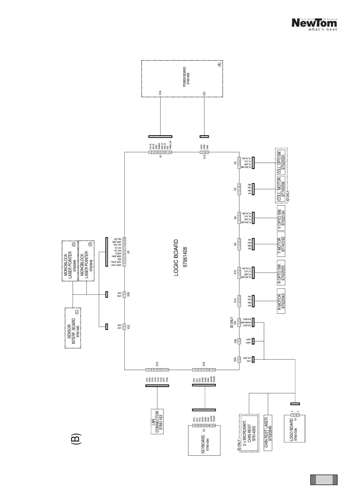
CONTROL BOARDS DESCRIPTION

Related product manuals