EasyManua.ls Logo

Cello C32100DVB - Page 14

Cello C32100DVB
39 pages
Print Icon
To Next Page IconTo Next Page
To Next Page IconTo Next Page
To Previous Page IconTo Previous Page
To Previous Page IconTo Previous Page
Loading...
AC POWER IN
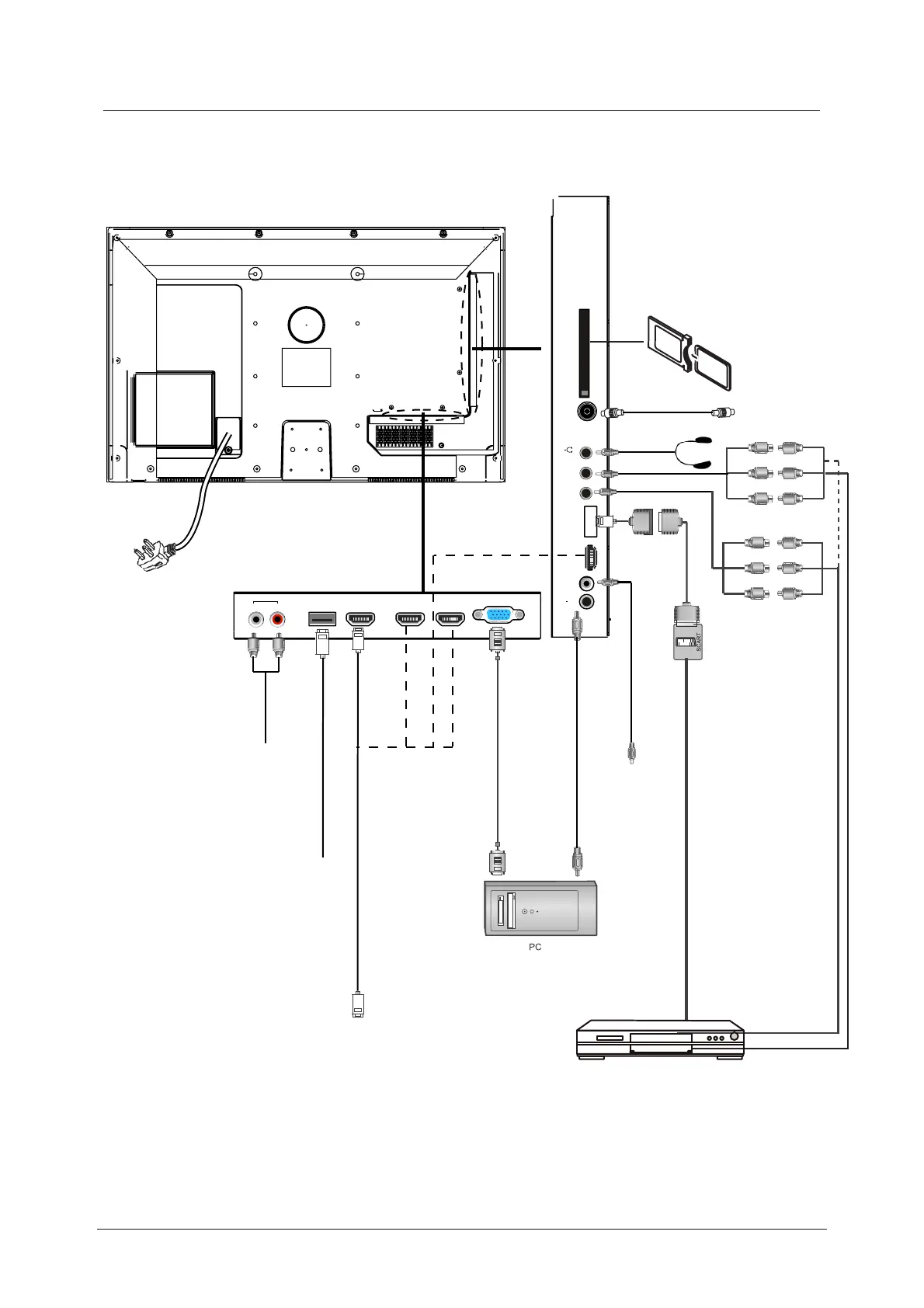
Connecting external devices (continued)
11
USB HDMI1 HDMI2 HDMI3 VGA
PC Coax HDMI4 SCART YPbPr AV IN RF Common Interface
audio in
Headphone out
Output to
Audio amplifier
Common Interface
TV Signal
Satellite Box
or Blue Ray DVD
Output to
Audio amplifier
USB device
Audio out
L R

Related product manuals