EasyManua.ls Logo

Central Machinery 97099 - Page 45

Central Machinery 97099
46 pages
Print Icon
To Next Page IconTo Next Page
To Next Page IconTo Next Page
To Previous Page IconTo Previous Page
To Previous Page IconTo Previous Page
Loading...
Page 45SKU 97009 For technical questions, please call 1-800-444-3353.
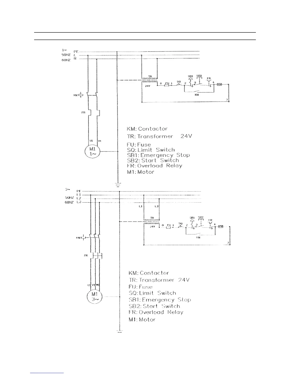
ELECTRICAL SCHEMATIC - CONTINUED

Related product manuals