EasyManua.ls Logo

CERTUSS Universal 1000 - Page 24

Default Icon
102 pages
Print Icon
To Next Page IconTo Next Page
To Next Page IconTo Next Page
To Previous Page IconTo Previous Page
To Previous Page IconTo Previous Page
Loading...
18
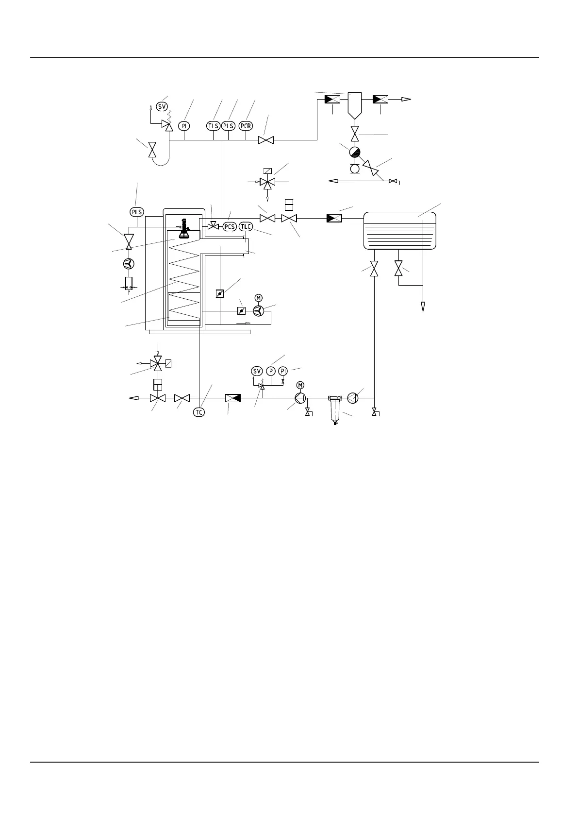
3 Return valve steam outlet (only for Thermotimat equipment)
4 Start-up piston valve (only for Thermotimat equipment)
7 Automatic blowdown valve
8 Manometer with needle valve (optional)
9 3-way pilot valve (only for Thermotimat equipment)
10 Sensor PT 100 water inlet temperature
11 Steam manometer
13 Pre-pressure pump (optional)
14 Sensor PT 100 flue-gas temperature limiter
15 Steam pressure limiter
16 Sensor PT 100 steam temperature limiter
17 Pressure sensor steam pressure controlling
18 Check valve start-up piping
19 Start-up valve
20 Steam pressure valve
21 Safety valve
36 Fan main burner
39 Air pressure controller (only for gas firing)
46 Burner
49 Flue gas connection
50 Heating coil
51 Evaporator
54 Water pump with motor
56 Return outlet water inlet
57 Drain valve
59 Fan partial load burner (only with flue gas return) optional
61 Hot water filter
65
Gas pressure controller part-load burner (only with flue gas return)
67 Regulating flap flue gas return (optional)
72 Adjusting air flap with motor
75 Water admission pressure sensor
77 Safety valve water pump pre-pressure
78 Feed water tank
81 Sampling valve
86 Steam separator
87 Shut-off valve
88 Steam trap with dirt trap
102 3-way test cock air pressure controller
107 Manometer test cock
108 Return valve steam dryer (only at multiple systems)
3 Funktion 3 Function
3 Rückschlagventil Dampfaustritt (nur bei Ausrüstung Thermotimat)
4 Anfahrkolbenventil (nur bei Ausrüstung Thermotimat)
7 Automatisches Abschlämmventil
8 Manometer mit Nadelventil (optional)
9 3-Wege Pilotventil (nur bei Ausrüstung Thermotimat)
10 Fühler PT 100 Wassereintrittstemperatur
11 Dampfmanometer
13 Vordruckpumpe (optional)
14 Fühler PT 100 Rauchgastemperaturbegrenzer
15 Dampfdruckbegrenzer
16 Fühler PT 100 Dampftemperaturbegrenzer
17 Drucksensor Dampfdruckregelung
18 Rückschlagklappe Anfahrleitung
19 Anfahrventil
20 Hauptdampfventil
21 Sicherheitsventil
36 Gebläse Hauptbrenner
39 Luftdruckwächter (nur bei Gasfeuerung)
46 Brenner
49 Rauchgasanschluss
50 Heizschlange
51 Verdampferteil
54 Wasserpumpe mit Motor
56 Rückschlagventil Wassereintritt
57 Abschlämmventil
59 Gebläse Teillastbrenner (nur bei Rauchgasrückführung)
61 Heißwasserfilter
65 Luftdruckwächter Teillastbrenner (nur bei Rauchgasrückführung)
67 Stellklappe Rauchgasrückführung (optional)
72 Luftstellklappe mit Motor
75 Wasservordrucksensor
77 Sicherheitsventil Wasserpumpenvordruck
78 Speisewasserbehälter
81 Probeentnahmeventil
86 Dampftrockner
87 Absperrventil
88 Kondensatableiter mit Schmutzfänger
102 3-Wege-Prüfhahn Luftdruckwächter
107 Manometerprüfhahn
108 Rückschlagventil Dampftrockner (nur bei Mehrfachanlagen)
Funktionsschema
Functional diagram
3.1.1 Funktionsschema Dampfautomat 3.1.1 Functional diagram steam generator
21 11 15 17
20
3 108
86
16
87
57
9
19
88
13
61
54
75
77
56
10
87
8
18
107
87
78
4
72
14
36
49
57
51
46
50
7
9
Y
Y
65
59
39
102
67

Table of Contents

Related product manuals