EasyManua.ls Logo

CERTUSS Universal 1000 - Gasfeuerung und Rauchgasrückführung 4 A

Default Icon
102 pages
Print Icon
To Next Page IconTo Next Page
To Next Page IconTo Next Page
To Previous Page IconTo Previous Page
To Previous Page IconTo Previous Page
Loading...
4
F
unkt
io
ns
s
c
h
e
m
e
n
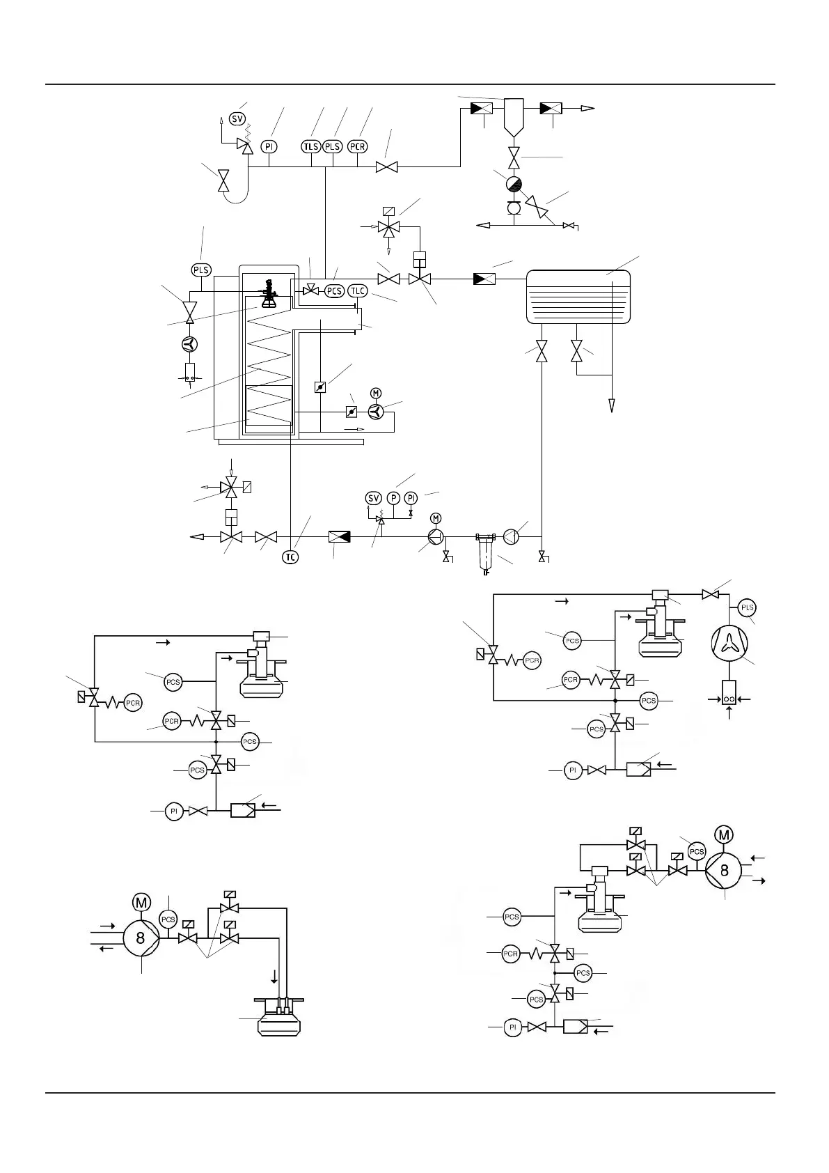
Functional diagrams
Funktionsschema
Functional diagram
Ölfeuerung
Oil firing
Gasfeuerung
Gas firing
Kombifeuerung Erdgas/Öl
Combined firing natural gas/oil
Gasfeuerung mit Rauchgasrückführung
Gas firing with flue gas return
66
42
79
41
44
98
97
46
92
91
93
79
46
43
64
80
66
65
42
59
79
41
44
98
46
42
79
41
44
98
46
92
91
93
97
64
43
43
40b
40a
79
80
40b
40a
79
80
40b
40a
106
21 11 15 17
20
3
1
08
8
6
16
87
57
9
1
9
88
13
61
54
75
77
56
10
87
8
18
107
87
78
4
72
14
36
49
57
51
46
50
7
9
Y
Y
65
59
39
102
67

Table of Contents

Related product manuals