EasyManua.ls Logo

CESAB BT BLITZ 320 - Page 197

Default Icon
234 pages
Print Icon
To Next Page IconTo Next Page
To Next Page IconTo Next Page
To Previous Page IconTo Previous Page
To Previous Page IconTo Previous Page
Loading...
chapter 6000
page 13
1,2 - 2,0 t A.C.
SERVICE MANUAL
Electric
036-0410-07
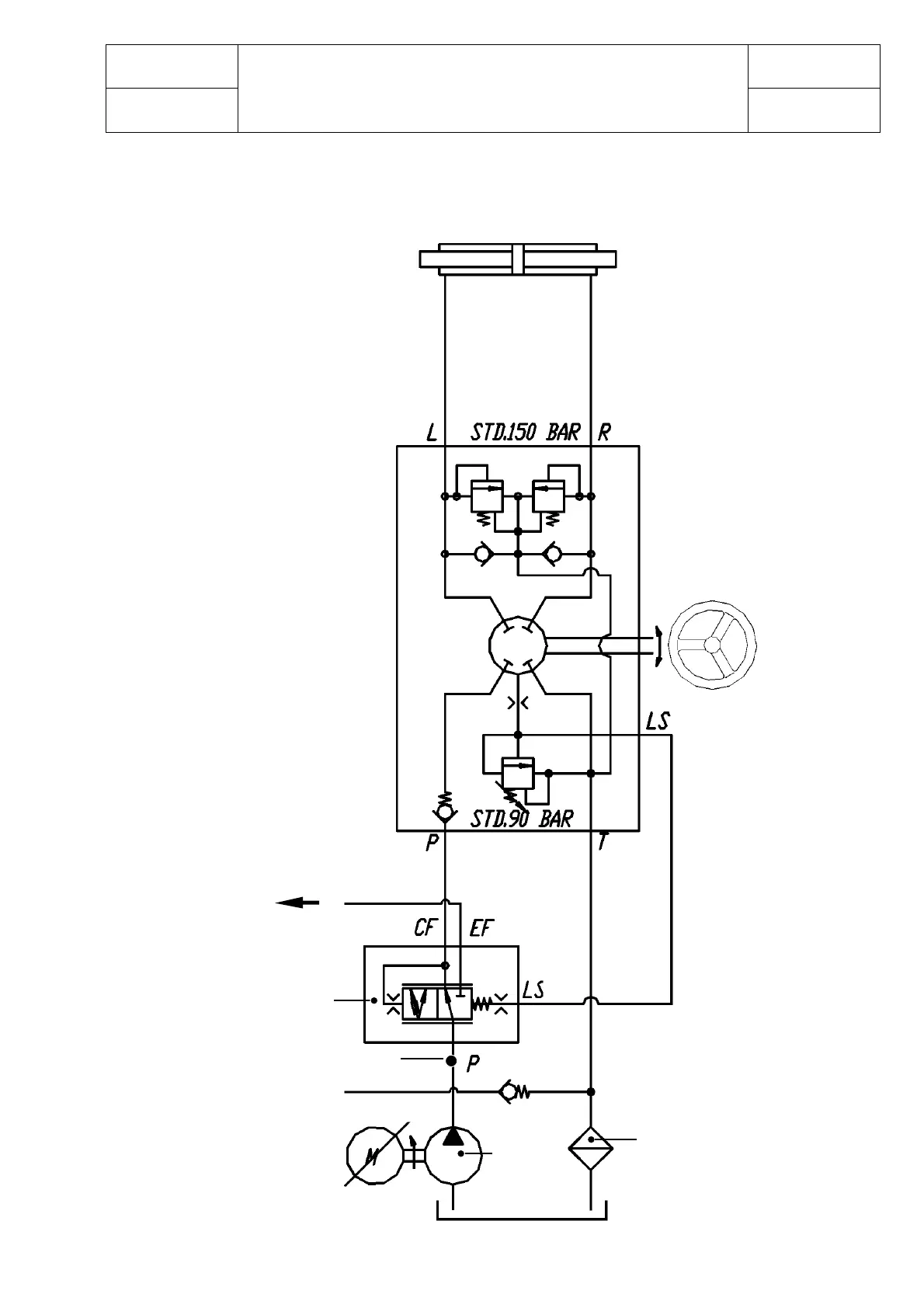
ORBITROL
A
POWER STEERING HYDRAULIC DIAGRAM
STEERING CYLINDER
FILTER
PUMP
TO THE CONTROL VALVES
PRIORITY
VALVE

Table of Contents

Related product manuals