EasyManua.ls Logo

CESAB BT BLITZ 320 - Power Steering Hydraulic Diagram; Steering Cylinder

Default Icon
234 pages
Print Icon
To Next Page IconTo Next Page
To Next Page IconTo Next Page
To Previous Page IconTo Previous Page
To Previous Page IconTo Previous Page
Loading...
1,2 - 2,0 t A.C.
SERVICE MANUAL
Electric
036-0410-07
chapter 4000
page 4
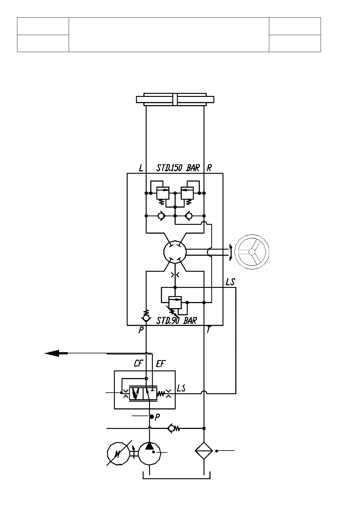
FILTER
ORBITROL
A
POWER STEERING HYDRAULIC DIAGRAM
STEERING CYLINDER
A
PUMP
TO THE CONTROL VALVES
PRIORITY
VALVE

Table of Contents

Related product manuals