EasyManua.ls Logo

CESAB BT BLITZ 320 - Lifting Electric Block Diagram

Default Icon
234 pages
Print Icon
To Next Page IconTo Next Page
To Next Page IconTo Next Page
To Previous Page IconTo Previous Page
To Previous Page IconTo Previous Page
Loading...
chapter 5000
page 20
1,2 - 2,0 t A.C.
SERVICE MANUAL
Electric
036-0410-07
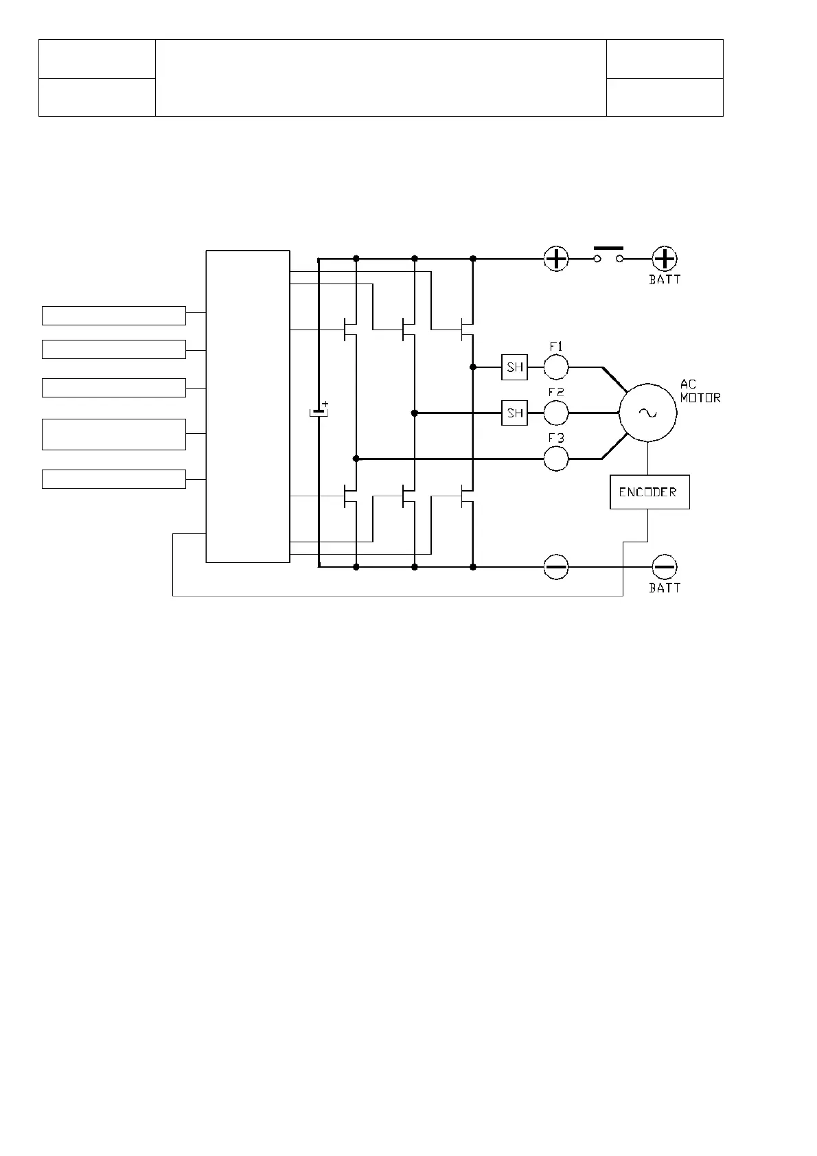
LIFTING ELECTRIC BLOCK DIAGRAM
CONTROL LOGIC
KEY
POTENTIOMETER
MICROSWITCHES
PROGRAMMING
CONSOLE
KEY

Table of Contents

Related product manuals