EasyManua.ls Logo

Cessna 150L - Page 300

Cessna 150L
358 pages
Print Icon
To Next Page IconTo Next Page
To Next Page IconTo Next Page
To Previous Page IconTo Previous Page
To Previous Page IconTo Previous Page
Loading...
I';.,;;
REVISION
-BY
I
CHK
(SRS033)
IA
EN
f':EV:
5':'R.
51::
7WI
£.
~~l
I~
o
OIL
PRE.'5'5U~E
"'DC>
5-1519-
'-
(51<.''-01)
I
SWITU<
16
I
By
Re;v:
AOD
WIRE tEJGoTH'=>,
I'~~
I~
U>DFI
~~
IS~~
D~\;
ADD
C€~:~~:~'I')1i-
\,JCM, 5+40;:>
PRk..TI<:k
Ie
BY
REV;
DCG(REl1
w~s
DC2(II.E.F);
I~:~
~~
J-
~
DC1(I<E.F)~{S
DU(RE17"ADD
DC.l.
--+r-
D<.~
~-IIo"'-1
-1"~1-2
o
(R~I=)
(R.~~)
(NDW
5HDP
P'
elice
ME~
150£002.9
Z 0
DETAIL
j\
THRU
SE.1\1507qBSO~
A
1500q2'/,FI!;OOIO/?J~
FAISOO2'1
i----
A
...
-
-OIL
PRESSURE
HOURMETER
"SWITCH
~T"'~O~'
I
@ 0
~
\
G:>DF2
J -
i)
'"
\
0n~)
4-f'P
6,'
op\)~
0(0\
'1
SO
Jt?~
p'\
\J\~
~
0°>
1/1
~
T
~
DC'S(REF~DU,(REF)-m-OCl(q';F
_____
.o(\,\'~<v
#t:? S011
0
0
(/'
(150731fDj;Is()O~"500')}'
3~T41"
"EIY7
201)
0 DC4(REF)
\>-c
y.~V
':i
~
l\
0
,
FAI,
191)
Y·'
,
~
iO
to
SE.R(~,7LOlkc>J'"
0
":'
\~
(--<:
",0.
~~
(1)
I\LL
",PIWE>
~~
"7'
~
\\J
(:5Q73741
jAI5003'ft~
FISOOO904-
j
F~/srYJ'92)
0/\
;"",\
I
0
¢.
0
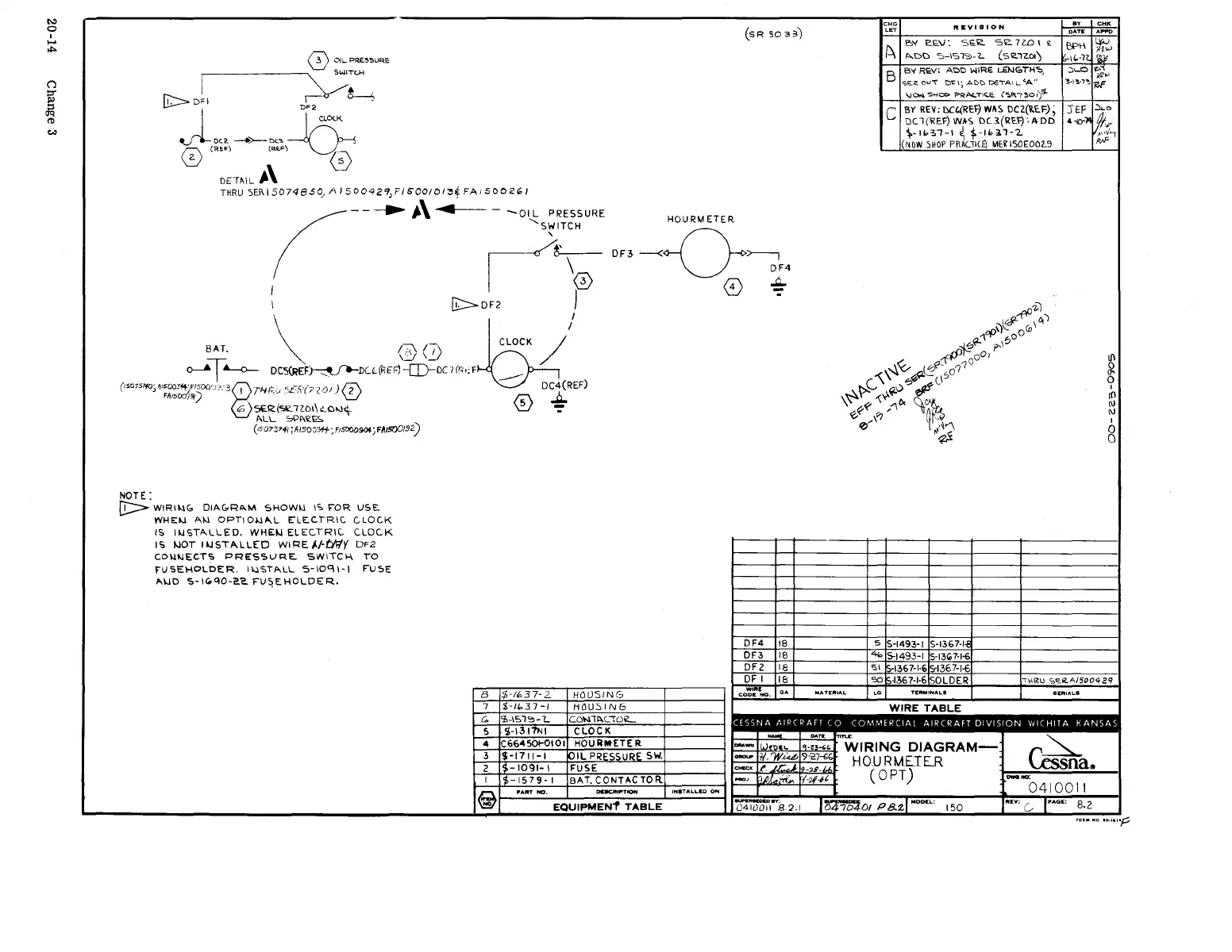
NOTE:
Q:> WIRI\..\(;
DII\(;RAM
5HOWIJ
IS
FOR
V5E.
W~E:t-.l
I\IJ
OPTiO+J
....
L
ELE.CTRIC
CLOCK
IS
IUSTALl.ED,
WHEt-!
ELECTRIC
CLOCK
IS
t-!OT 1 tJ
STA
L
LED
WI
RE.
"t-tlrl'I
bF2
COl-ll-lECTS
PRESSVRE.
SWITCH
TO
rU5EHOLDER,
Il.,lSTI\Ll
5-/0"\1-1
FU5E
AIJD
S-I"'QO-2.'a
FU~E
HOLDE
R.
D~
118
5
15-1493-1
5-1367+,
DF3
18
1%
15-1493-1
5,13'7+6
)F2
18
IS_I
~"36-f->-b
S-ljt:;7+E
)F
18
150
,1367-1-6
SOLDER
'-'"\<I.)
S"'''-Af500429-
8
!$-163
1-2
HOIIS/NG
C,,~~.
I GA
NATERIAL
LG
TE"",NALS
..
RIALS
$-/1,3'
-I
HOIISING
WIRE~
Go
$-\519-,
:o~n"',
c:>R.
5
1\-I317N1
:K
4
HO
IRME'ER
l"';'~
~.
-",
WIRINGDI~
3
!$-1711-1
OIL
PRFSSIJRF
SW,
......
,'}j/,<
HOURMETER
L.
2
$-1091-
I
'USE
~
,jr..
,,-
I
$-1579-1
IA
ON'rAC
)R.
~
J/!1..irf~
o/-lf.,>
(OPT)
'--0
100
I@
.ART
NO,
OUC'''"'OON
'"STALLEOO;;-
)41
II
",no
IIa""'N1
TABLE
041l:Lil'-'B:;?,
I
04"ii540f
P
s.dN""'L'
150
'R
.,
(_
I
..
G.,
8.2
FOUIiNOIO.16UP·

Table of Contents

Other manuals for Cessna 150L

Related product manuals